寬帶GaAs MMIC功率放大器 陶瓷封裝0.7至2.2GHz頻段 美國進口功率放大器現貨出售
2018-06-28 14:50:37
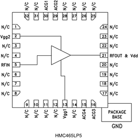
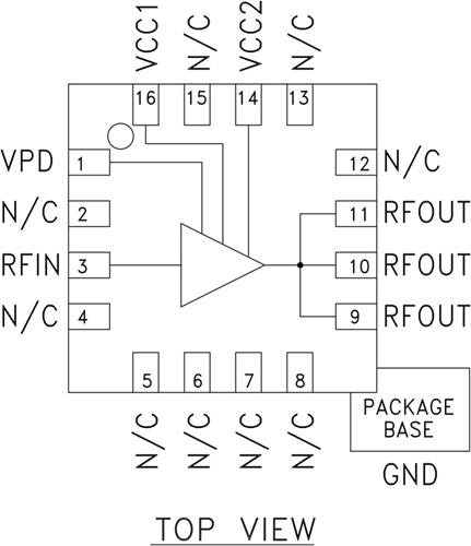
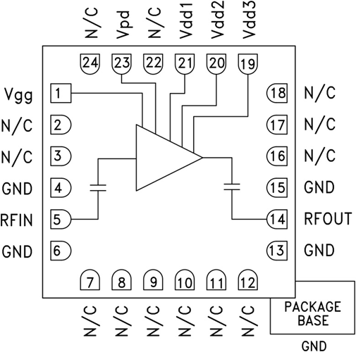
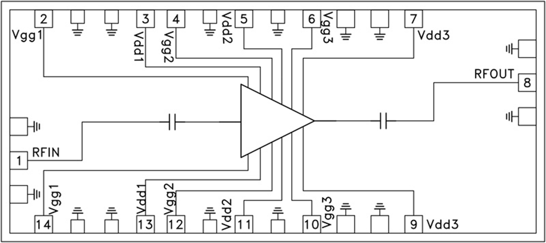
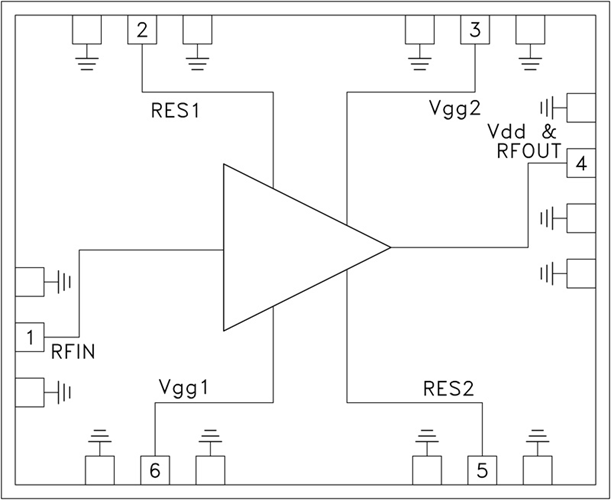
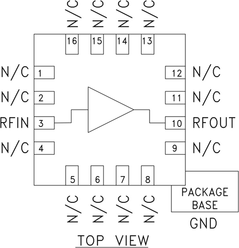
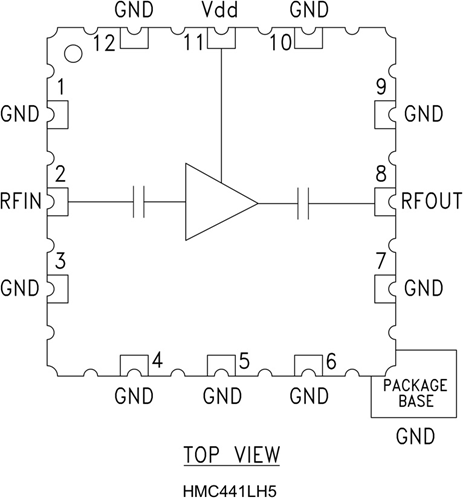
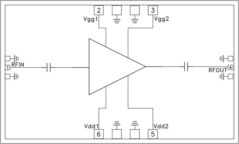
AMCOM的AM072249WM是網絡帶寬GaAs MMIC穩定工作電壓變大器。它還有一位個30dB小信號燈增加收益和39 dBm(8W)供大于求輸出的穩定CW能穩定工作電壓超過了0.7至2.2GHz頻段。MMIC在的兩個電子器件(-00—R)中提供數據。包(-SN-R)表格。AM072249WM SN-R是衛浴陶瓷裝封中的另外一種。活套法蘭和直RF和DC促使配備降低