HMC461LP3E雙節點MMIC放縮器 1w高IP3放縮器 ADI現貨平臺
推出的時間:2018-06-26 11:49:49 瀏覽器:1953
HMC461LP3(E)是款1.7 - 2.2 GHz高的輸出IP3 GaAs InGaP異質結雙導電性結晶管(HBT)雙工作區MMIC放小器。 它在單獨的集成式用電線路系統中,保證5個HMC455LP3高IP3驅動包器的波形機械性能,可在發展點或推挽放小器用電線路系統中選配。 該放小器保證12 dB的增加收益和+30.5 dBm的趨于穩定效率(當PAE為48%時),分為+5 Vdc單供電,同時用發展點選配的間接巴倫。
伴隨擁有+45 dBm的高傳輸IP3,再運用1.2:1的低VSWR,因而HMC461LP3(E)將成為比較合適PCS/3Gwifi手機地基建筑設施的人生理想驅動器變小器。 雙MMIC變小器集成型電路原理進行低資金的無引腳3x3 mm QFN外表貼裝封裝類型(LP3)。 LP3出示露外基極以達成出眾的RF和熱管散熱安全性能。
|
品牌
|
型號
|
描述
|
貨期
|
庫存
|
|
ADI
|
HMC461LP3
|
1瓦特高IP3放大器,采用SMT封裝,1.7 - 2.2 GHz
|
現貨
|
278
|
HMC461LP3應用
-
多載波系統
-
GSM、GPRS和EDGE
-
CDMA和W-CDMA
-
PHS
-
可配置平衡或推挽
HMC461LP3優勢和特點
-
+45 dBm輸出IP3(平衡配置)
-
增益:12 dB
-
PAE為48%(Pout為+30.5 dBm時)
-
+20 dBm的W-CDMA通道功率(ACP為-45 dBc時)
-
3x3 mm QFN SMT封裝
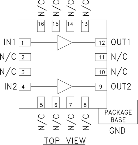
HMC461LP3結構圖
