HMC339/HMC339-S放大器X芯片次諧波混頻器 ADI現貨
2018-07-06 13:54:32
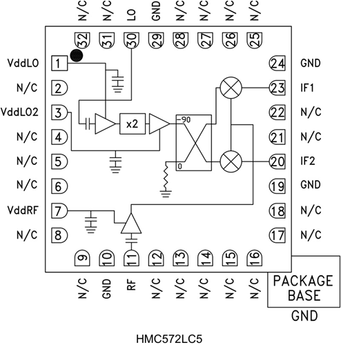
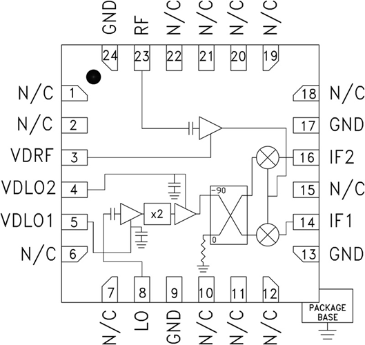
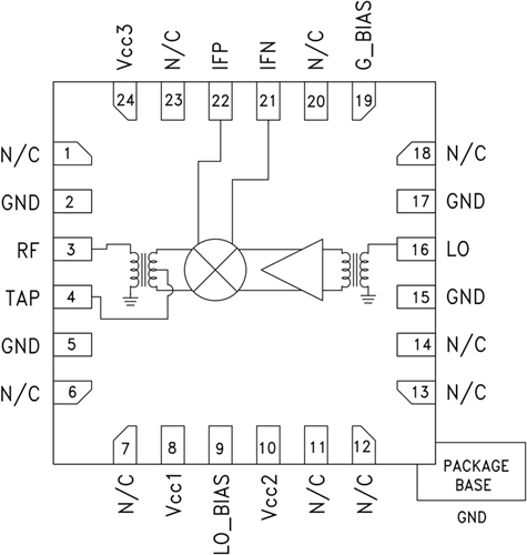
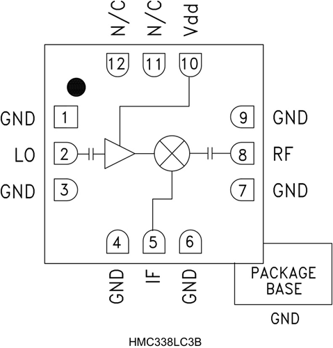
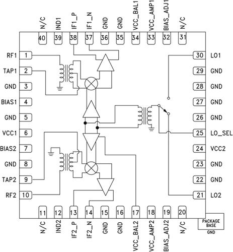
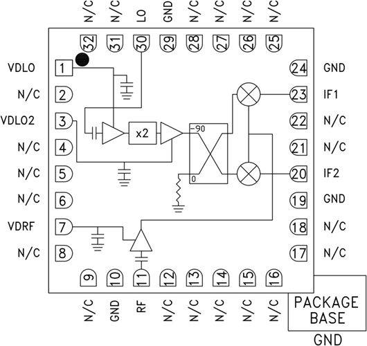
HMC339IC集成電路單片機芯片一款智能家居控制LO變成器的次諧波(x2) MMIC混頻器,可作作上直流變頻空調柜器或下直流變頻空調柜器。 該IC集成電路單片機芯片靈活運用GaAs PHEMT技術應用,IC集成電路單片機芯片整體風格總面積為1.07mm2。 2LO至RF底部隔離機械性能出眾的,不需要格外濾波。 LO變成器運用單偏置(+3V至+4V)雙極結構設計,僅需+2 dBm的標稱推動。