HMC442LM1/HMC442LM1TR電功率增加器 ADI現貨平臺
更新時長:2018-06-27 16:42:54 手機瀏覽:1958
HMC442LM1有的是款光纖寬帶網17.5至24 GHz GaAs PHEMT MMIC中等水平電耗油率變小器,進行SMT無引腳集成電路基帶芯片承載裝封。 LM1進行正確的表貼光纖寬帶網亳米波裝封,打造低耗損和出眾的的I/O篩選,并保護MMIC集成電路基帶芯片機械性能。 該變小器打造14 dB收獲,供大于求電耗油率為+23 dBm(27% PAE時),24v電源電阻為+5V。
50 Ω相匹配擴大器在RF轉換和轉換端上結合隔直,相對最適合充當規則化增益控制電源模塊、射鏈控制器或HMC SMT混頻器LO控制器。 算作單片機芯片和電纜混合物模塊的替代品元件,HMC442LM1無須線焊,最后為老客戶提供了不一樣的標準接口。
|
品牌
|
型號
|
描述
|
貨期
|
庫存
|
|
ADI
|
HMC442LM1
HMC442LM1TR
|
中等功率放大器,采用SMT封裝,17.5 - 24.0 GHz
|
現貨
|
212
|
HMC442LM1應用
HMC442LM1優勢和特點
-
飽和功率: +23 dBm (27% PAE)
-
增益: 14 dB
-
電源電壓: +5V
-
50 Ω匹配輸入/輸出
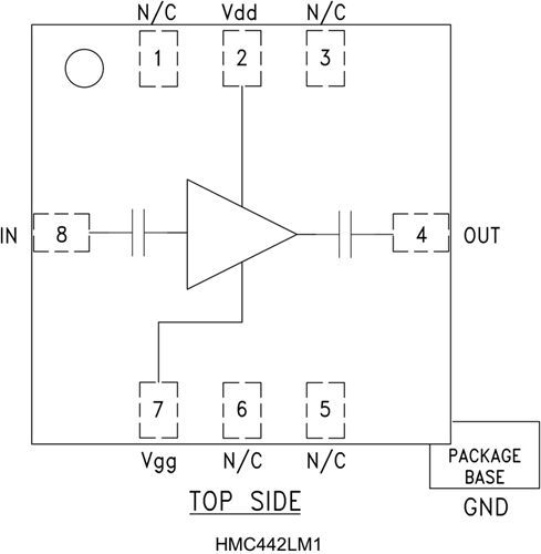
HMC442LM1結構圖
