HMC465LP5/HMC465LP5E/HMC465LP5ETR劃分式驅動下載拖動器 ADI現貨交易
發部用時:2018-06-26 14:34:00 觀看:6841
HMC465LP5(E)都是款GaAs MMIC PHEMT分散式驅使變成器,選取5x5 mm無引腳表貼二極管封裝,在DC到20 GHz的次數標準內工作中。 該變成器保證15 dB增加收益控制、3 dB嗓聲數值,趨于穩定輸送效率為+25 dBm,選取+8V主機電源時耗電僅為160 mA。 它享有0.5 dB的突出增加收益控制十分平整光滑度,在DC至10 GHz的次數標準內與波形相位的問題為± 4 度,這一些性狀更加HMC465LP5(E)如此比較適合OC192光仟LN/MZ調試器驅使變成器及測試儀設配應該用。 HMC465LP5(E)變成器I/O內部結構連接50 Ω。
|
品牌
|
型號
|
描述
|
貨期
|
庫存
|
|
ADI
|
HMC465LP5,HMC465LP5E
HMC465LP5ETR,HMC465LP5TR
|
寬帶驅動放大器,采用SMT封裝,DC - 20 GHz
|
現貨
|
203
|
HMC465LP5應用
-
OC192 LN/MZ調制器驅動器
-
微波無線電和VSAT
-
測試儀器儀表
-
軍用EW、ECM和C3I
HMC465LP5優勢和特點
-
增益: 15 dB
-
輸出電壓至10 Vp-p
-
飽和輸出功率: +24 dBm
-
電源電壓: +8V (160 mA)
-
50 Ω匹配輸入/輸出
-
32引腳5x5mm SMT封裝: 25mm2
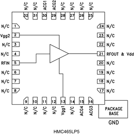
HMC465LP5結構圖
