HMC-APH634多級GaAs HEMT MMIC一般輸出功率增加器 ADI外盤
發布信息期限:2018-06-26 15:32:54 搜索:7012
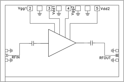
HMC-APH634就是款二級GaAs HEMT MMIC中等偏上水平上班效率縮放器,上班頻點條件為81至86 GHz。 HMC-APH634供應12 dB增益控制,適用+4V電原時兼具+20 dBm的輸出上班效率(1 dB減小成)。 全部焊盤和存儲處理IC芯片后殼都經由Ti/Au塑料化。 HMC-APH634 GaAs HEMT MMIC中等偏上水平上班效率縮放器兼容傳統化的存儲處理IC芯片貼裝方式方法,、熱減小成和熱彩超線焊接工藝藝,比較時候MCM和混微電路原理app。 此頁表示的全部數據報告均是存儲處理IC芯片在50 Ω周圍環境下選擇RF探測器接觸到精確測量。
|
品牌
|
型號
|
描述
|
貨期
|
庫存
|
|
ADI
|
HMC-APH634
|
中等功率放大器芯片,81 - 86 GHz
|
現貨
|
198
|
用途
HMC-APH634優勢和特點
-
高增益: 12 dB
-
高P1dB: +19 dBm
-
電源電壓: +4V
-
50 Ω匹配輸入/輸出
-
裸片尺寸:
2.57 x 1.70 x 0.05 mm
HMC-APH634結構圖
