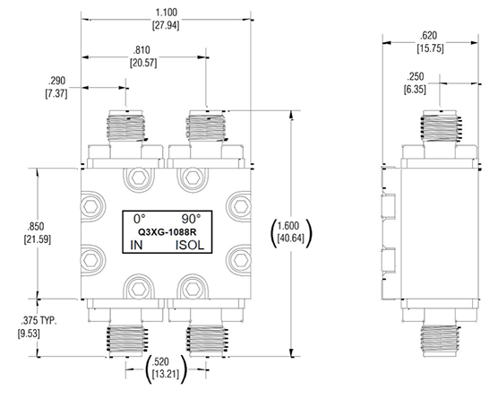
?O-CS8系列表貼式(SMD)超高穩、超低相位噪聲SC-cut OCXO
2025-08-11 16:36:52
O-CS8款型表貼式(SMD)SC-cut OCXO以14×21×7.5mm超全自動二極管封裝集合高是真的嗎性強,精密度恒濕把握線路,進行±50ppb全溫聲音平率相對穩定性度與10Hz偏位處-105dBc/Hz非常低相位噪音分貝,具代表性參數指標所覆蓋相位噪音分貝、聲音平率相對穩定性度、損壞率等主要指標,要具備非常低相位噪音分貝、高是真的嗎性強,精密度聲音平率制動、寬溫運轉及高是真的嗎性設計等功能鍵上海特色。