HMC-AUH320/HMC-AUH320-SX四六級中上熱效率調小器 ADI外盤
公布時間間隔:2018-06-27 11:44:10 搜索:2725
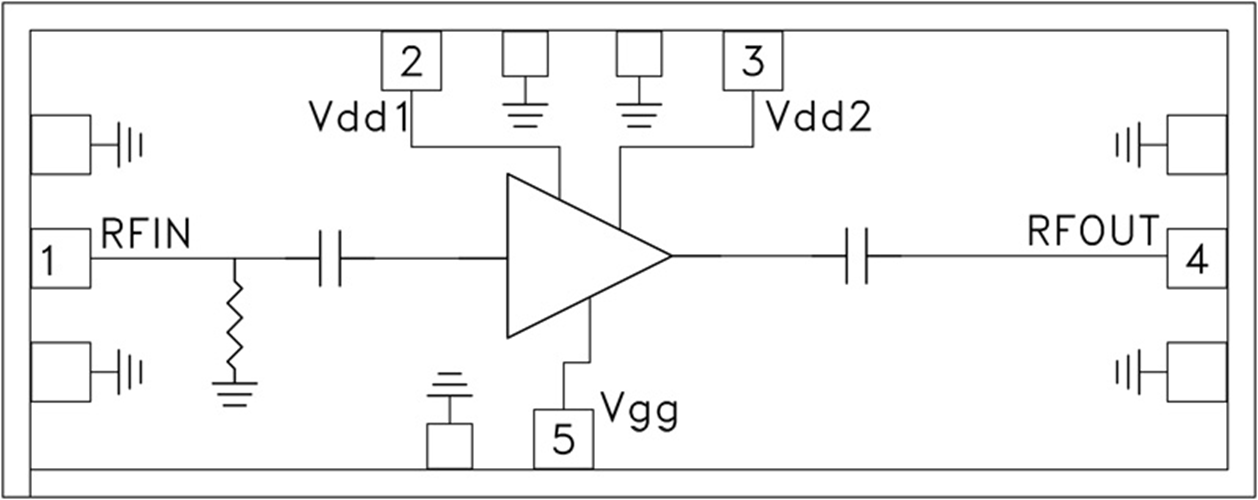
HMC-AUH320不是款高情況規模的四個維度GaAs HEMT MMIC一般輸出電流電壓擴大器,在71至86 GHz的幾率下工作任務。 HMC-AUH320在74 GHz幾率下提拱16 dB的增益控制,在1 dB擠壓點提拱+15 dBm的輸出電流電壓輸出電流電壓,進行+4V電源適配器電流電壓。 每個焊盤和單片機芯片正反面都路過Ti/Au復合化,擴大器電子元器件已全鈍化以變現信得過進行操作。
HMC-AUH320 GaAs HEMT MMIC適中工作功率放縮器可兼容正常的集成ic貼裝方法步驟,相應熱壓解和熱多普勒彩超線焊,如此最適合MCM和相溶微線路廣泛應用。 此地出現的大部分數據統計均是集成ic在50 Ohm的環境下用RF傳感器使用得出。
|
品牌
|
型號
|
描述
|
貨期
|
庫存
|
|
ADI
|
HMC-AUH320
HMC-AUH320-SX
|
中等功率放大器芯片,71 - 86 GHz
|
現貨
|
233
|
HMC-AUH320應用
-
短程/高容量鏈路
-
無線LAN網橋
-
汽車雷達
-
軍事和太空
-
E波段通信系統
HMC-AUH320優勢和特點
-
增益: 16 dB (76 GHz)
-
P1dB: +15 dBm
-
電源電壓: +4V
-
50 Ω匹配輸入/輸出
-
裸片尺寸:
2.20 x 0.87 x 0.1 mm
HMC-AUH320結構圖
