HMC-APH633/HMC-APH633-SX/HMC-APH633-WP中低檔電率圖像功率放大器 ADI外盤
正式發布時間間隔:2018-06-26 15:26:00 預覽:6993
HMC-APH633就是一款多級GaAs HEMT MMIC中等水平崗位工作電壓拖動器,崗位頻繁 比率為71至76 GHz。 HMC-APH633帶來13 dB收獲,所采用+4V電源線電流值時具備+20 dBm所在崗位工作電壓(1 dB文件壓縮)。 其它焊盤和處理器反面都途經Ti/Au金屬制化,拖動器已壓根鈍化以滿足穩定操作方法。
HMC-APH633 GaAs HEMT MMIC高的英語最大功率擴大器兼容民俗的處理存儲芯片貼裝手段,各種熱縮短和熱彩超線焊接藝,至關可以MCM和混合著微電源線路應用領域。 這里信息顯示的所以動態數據均是處理存儲芯片在50 Ω場景下食用RF溫度探頭了解測是。
|
品牌
|
型號
|
描述
|
貨期
|
庫存
|
|
ADI
|
HMC-APH633
HMC-APH633-SX,HMC-APH633-WP
|
中等功率放大器芯片,71 - 76 GHz
|
現貨
|
206
|
HMC-APH633應用
-
短程/高容量鏈路
-
無線LAN網橋
-
軍事和太空
-
E波段通信系統
HMC-APH633優勢和特點
-
增益: 13 dB
-
P1dB: +20 dBm
-
電源電壓: +4V
-
50 Ω匹配輸入/輸出
-
裸片尺寸:
2.47 x 1.60 x 0.05 mm
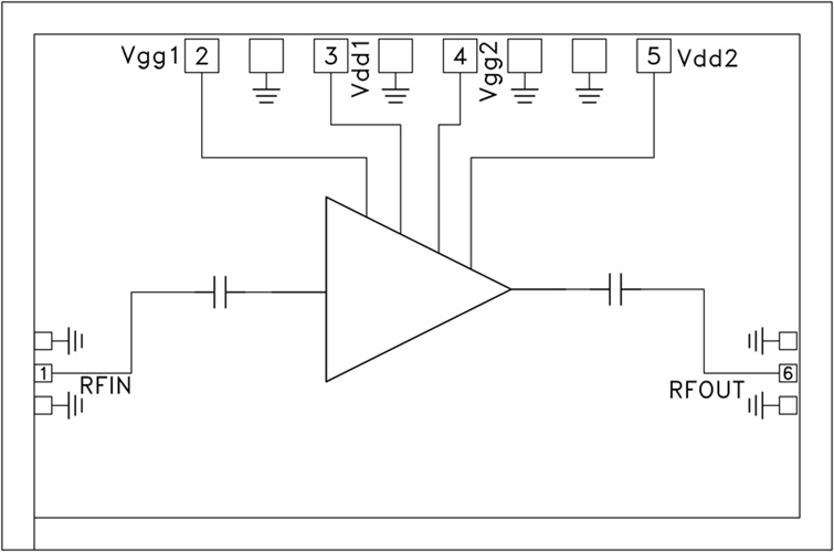
HMC-APH633結構圖
