HMC-APH196/HMC-APH196-SX二級高的英語瓦數縮放器 ADI外盤
上傳時光:2018-06-26 16:40:28 瀏覽器:2207
HMC-APH196是款二級GaAs HEMT MMIC中等偏上耗油率變成器,做工作平率范圍之內為17至30 GHz。 HMC-APH196在20 GHz下帶來了20 dB收獲,選用+4.5V電源模塊輸出工率時具備有+22 dBm輸出耗油率(1 dB降低)。 大多數焊盤和集成塊正反面都經途Ti/Au彩石化,變成器已完全性鈍化以實行信得過操作的。
HMC-APH196 GaAs HEMT MMIC中等偏上工率放縮器兼容常用的單片機IC芯片貼裝形式,包括熱解壓縮和熱彩超線電焊工藝,比較比較合適MCM和交織微三極管用。 在這兒凸顯的所有的數值均是單片機IC芯片在50 Ω環保下安全使用RF感應器玩測出。
|
品牌
|
型號
|
描述
|
貨期
|
庫存
|
|
ADI
|
HMC-APH196
HMC-APH196-SX
|
中等功率放大器芯片,17 - 30 GHz
|
現貨
|
249
|
HMC-APH196應用
HMC-APH196優勢和特點
-
輸出IP3: +31 dBm
-
P1dB: +22 dBm
-
增益: 20 dB (20 GHz)
-
電源電壓: +4.5V
-
50 Ω匹配輸入/輸出
-
裸片尺寸: 3.3 x 1.95 x 0.1 mm
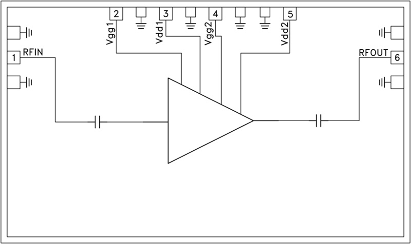
HMC-APH196結構圖
