HMC-ABH241/HMC-ABH241-SX英語四級GaAs HEMT MMIC中等偏上瓦數變成器 ADI現貨平臺
更新的時間:2018-06-26 16:30:49 瀏覽器:2435
THMC-ABH241就是一款4級GaAs HEMT MMIC一般公率縮放器,運作率的范圍為50至66 GHz。 HMC-ABH241作為24 dB增益值,選用+5V交流電源線電壓時包括+17 dBm轉換公率(1dB降低)。 那些焊盤和處理器后面都由Ti/Au金屬制化,縮放器已全鈍化以保持安全操控。
HMC-ABH241 GaAs HEMT MMIC中等偏上效率變大器兼容傳統文化的集成ic貼裝方式英文,各種熱文件壓縮和熱超音波線電焊工藝,更加符合MCM和混合法微控制電路應該用。 這里體現 的一切資料均是集成ic在50 Ω生態環境下的使用RF攝像頭接受測定。
|
品牌
|
型號
|
描述
|
貨期
|
庫存
|
|
ADI
|
HMC-ABH241
HMC-ABH241-SX
|
中等功率放大器芯片,50 - 66 GHz
|
現貨
|
249
|
THMC-ABH241應用
THMC-ABH241優勢和特點
-
輸出IP3: +25 dBm
-
P1dB: +17 dBm
-
增益: 24 dB
-
電源電壓: +5V
-
50 Ω匹配輸入/輸出
-
裸片尺寸: 3.2 x 1.42 x 0.1 mm
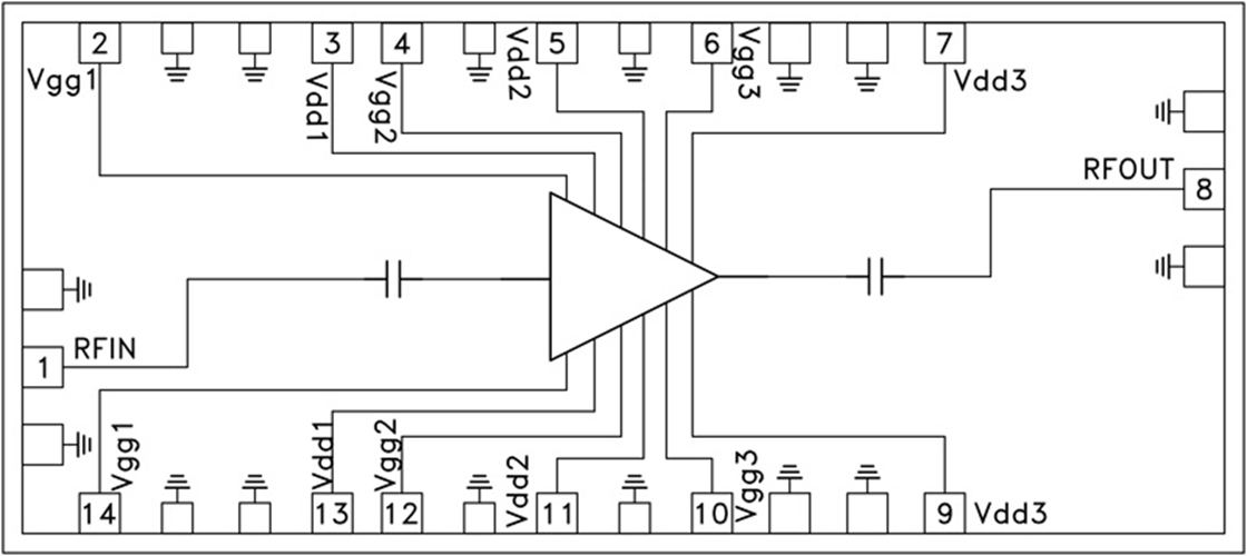
THMC-ABH241結構圖
