服務行業快訊
發布的時長:2018-06-27 17:23:18 預覽:7416
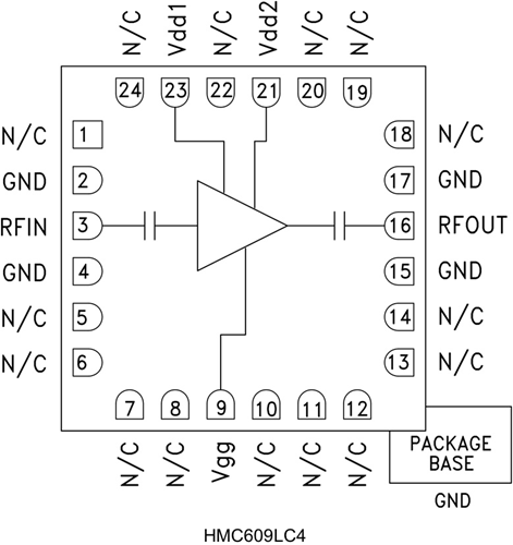
HMC609LC4不是款GaAs PHEMT MMIC低環境噪音調小器(LNA),的工做頻繁 區間為2至4 GHz。 HMC609LC4在一部分的工做頻段內都具有優秀的非常平整穩定性性質,比如20 dB小4g信號增加收益、3.5 dB環境噪音標準值和+36.5 dBm打印輸出IP3。 50 Ω配對調小器不用辦理每外面配對pcb板。 HMC609LC4能使用高存儲量表貼造成新技術,且RF I/O途經隔直以全面驟方便于模塊化。
品牌
型號
描述
貨期
庫存
ADI
HMC609LC4
HMC609LC4TR
低噪聲放大器,采用SMT封裝,2 - 4 GHz
現貨
203
HMC609LC4應用
HMC609LC4優勢和特點
HMC609LC4結構圖
