產業介紹
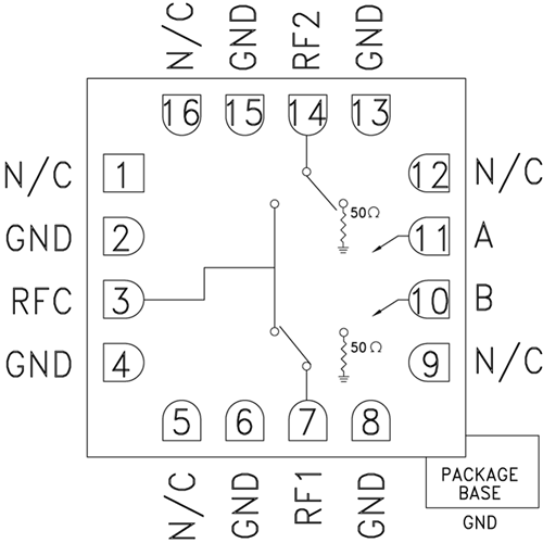
ADI現貨HMC427ALP3E是一款低損耗寬帶正控制轉換開關,采用無引腳表貼封裝。 該開關頻率范圍為DC至8 GHz,具有高隔離和低插入損耗。 該開關采用0/+5V正控制電壓工作,所需固定偏置為+5V (< 20 μA)。