企業信息資訊
分享精力:2018-06-27 16:46:26 瀏覽器:1998
| 品牌 | 型號 | 描述 | 貨期 | 庫存 |
| ADI |
HMC441LM1 HMC441LM1TR |
中等功率放大器,采用SMT封裝,7.0 - 15.5 GHz | 現貨 | 261 |
HMC441LM1應用
HMC441LM1優勢和特點
+21.5 dBm (27% PAE)
+5V,提供可選的柵極偏置
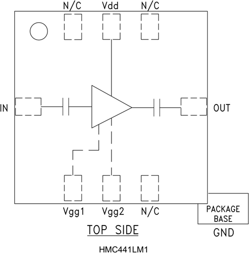
HMC441LM1結構圖
