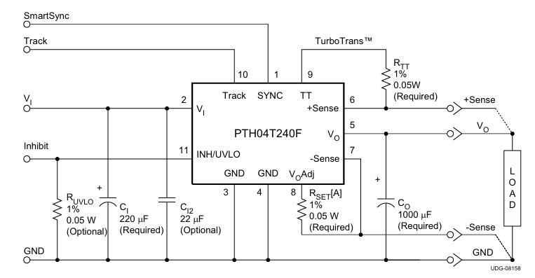
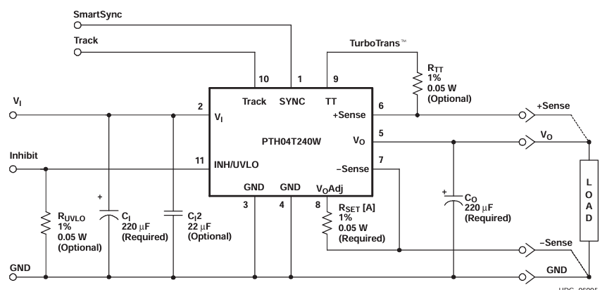
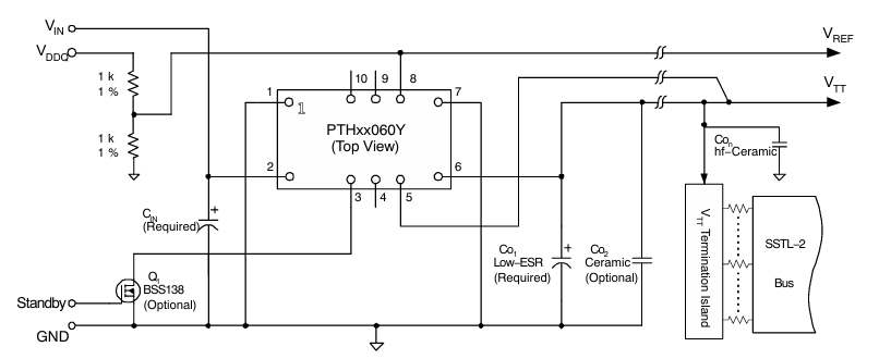
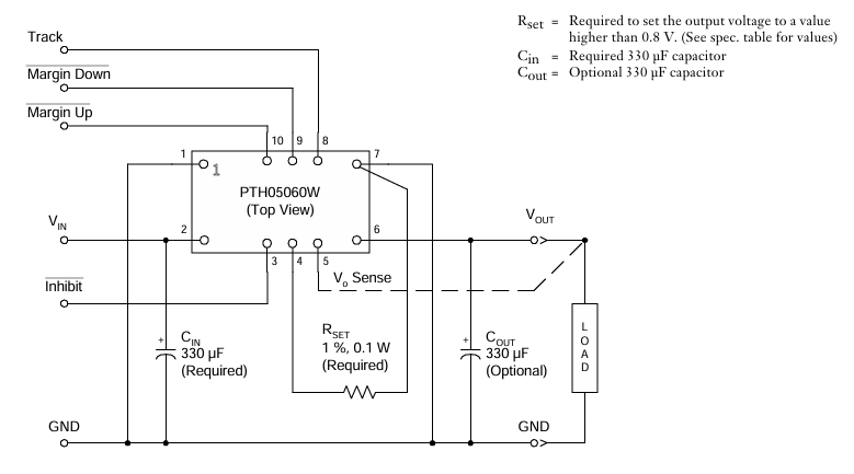
?LWH03060YAH替代PTH03060YAH:高性能電源模塊的優選方案
2025-06-04 16:34:15
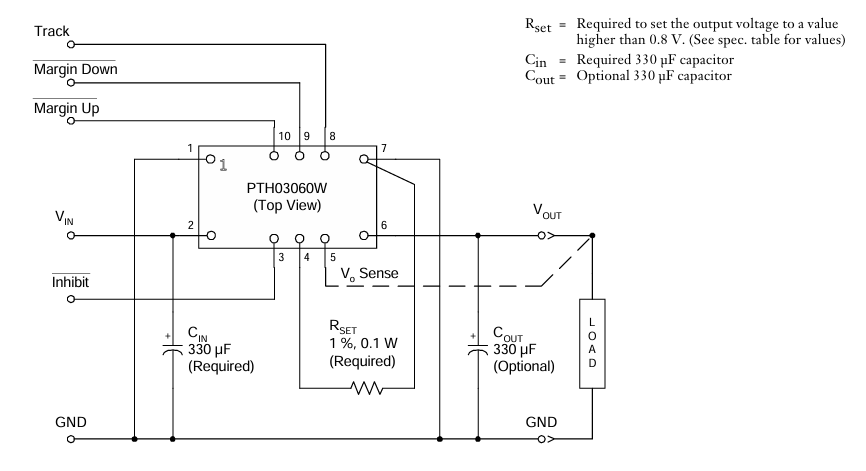
因 PTH03060YAH 供應信息定期公式提高與料工費話題,LWH03060YAH 使應用于為其改用方案格式,使應用于工業園調控等對不靠譜性和效應要高的場景中。它主要包括與 PTH03060YAH 相似的 10-DIP 打包封裝,高壓電器性能指標參數值相對高度相配,就不需要修改游戲 PCB 格局可以轉換。還,LWH03060YAH 在環境應用性上最好,運作環境溫度範圍更寬、抗打擾作用更強、采用使用期更長,且供應信息定期公式更短、料工費節約使用 15%-20%,是施工師防范元零件封裝供應信息震蕩的理智之選 。