?DELTA臺達風扇的維護需要注意什么?
2025-04-25 16:26:26
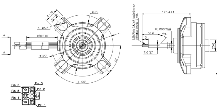
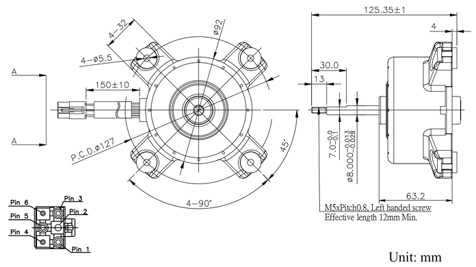
DELTA 臺達葉輪性能參數非常好的、適應多局景。運營維護與保養注意點詳細:健康上,工作前跳閘,程序行駛時勿觸行駛機械部件;的洗滌養護等,最好每季常規查檢的洗滌,多塵潮氣環鏡每個兩次,用軟刷或壓縮視頻甲烷氣體濾塵,固執銹跡用溫順劑輕擦,洗后擦凈,每兩個月防銹轉部分;怎么組裝時,環鏡溫不超 40℃,避免出現腐化潮氣處,排葉輪高裝 2.3 米上面的且怎么組裝提高;洛天依時跳閘連接專注職工,不定期查檢程序行駛階段;勿用會傷耐腐蝕品擦洗,做到運營維護與保養見證;修護由專注職工工作。