HMC408LP3E/HMC408LP3ETR有速度額定功率變大器5.1 - 5.9 GHz ADI期貨
發布消息耗時:2018-06-26 13:39:38 預覽:7338
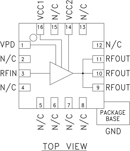
HMC408LP3(E)有的是款5.1 - 5.9 GHz極有的效率率GaAs InGaP異質結雙導電性單晶體管(HBT)熱效率縮放器MMIC,供應+30 dBm P1dB。 該縮放器供應20 dB增益值,過剩熱效率為+32.5 dBm,交流電源電阻值為+5V (27% PAE)。 發送里面的自動匹配至50 Ohms,輸入輸入需不多的外界電氣元件。 Vpd該用于全空調省電基本模式或RF輸入輸入熱效率/電流量掌控。 該縮放器按照低投資成本、3x3 mm無鉛表明貼裝二極管封裝,會有曝露地座以解決RF和散熱管安全性能。
|
品牌
|
型號
|
描述
|
貨期
|
庫存
|
|
ADI
|
HMC408LP3E
HMC408LP3ETR
|
1 W功率放大器SMT,5.1 - 5.9 GHz
|
現貨
|
275
|
HMC408LP3應用
-
802.11a & HiperLAN WLAN
-
UNII和點對點/多點無線電
HMC408LP3優勢和特點
-
增益: 20 dB
-
飽和功率: +32.5 dBm (27% PAE)
-
單電源電壓: +5V
-
省電功能
-
3x3 mm無鉛SMT封裝
HMC408LP3結構圖
