HMC-AUH249/HMC-AUH249-SX區域式驅動安裝縮放器裸片 ADI現貨平臺
上架時光:2018-06-26 15:41:03 閱覽:2330
HMC-AUH249就是一款GaAs MMIC HEMT分布圖制作式帶動調小器裸片,在DC至43 GHz的速率下運行,典型性3 dB網絡帶寬為35 GHz。 該調小器帶來15 dB增加收益,趨于穩定導出瓦數為+23 dBm,一起按照+5V電壓值電源模塊輸出功率僅200 mA。
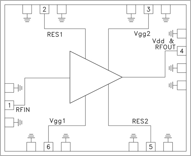
HMC-AUH249存在出眾的增加收益控制,相位紋波超過25 GHz,就能效果不低于8V的峰最高值,然而相當最合適移動寬帶移動、網絡光纖通信技術網和檢驗設配利用。 該調大器裸片必須要規模缺乏4 mm2,更方便輕松自由智能家居控制到多IC芯片功能(MCM)中。 針對于電壓電壓線,HMC-AUH249必須要偏置器和片外隔直元配件封裝及旁路電容器。 Vgg1可調接節配件的偏置電壓,Vgg2則調接效果增加收益控制。
|
品牌
|
型號
|
描述
|
貨期
|
庫存
|
|
ADI
|
HMC-AUH249
HMC-AUH249-SX
|
調制器驅動放大器芯片,DC - 35 GHz
|
現貨
|
156
|
HMC-AUH249應用
-
光纖調制器驅動器
-
適用于測試和測量設備的增益模塊
-
點對點和點對多點無線電
-
寬帶通信和監控系統
-
雷達警報系統
HMC-AUH249優勢和特點
-
小信號增益: 15 dB
-
輸出電壓: 最高8V pk-pk
-
Psat輸出功率: +23 dBm
-
高速性能: 大于35 GHz的3 dB帶寬
-
電源電壓:
+5V (200 mA)
-
S小尺寸裸片:
2.2 x 1.80 x 0.1 mm
HMC-AUH249結構圖
