HMC265LM3/HMC265LM3TR點到點wifi手機電下伺服驅動器器 ADI現貨平臺
上架精力:2018-07-06 15:50:11 手機瀏覽:1910
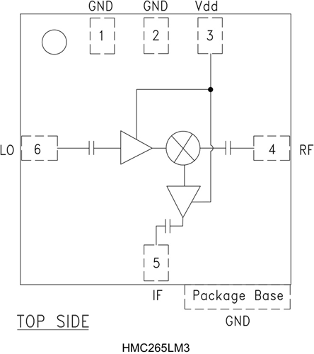
HMC265LM3就是一款結合LO和IF變成器的20 - 31 GHz表貼次諧波(x2) MMIC混頻器下交流伺服,選用SMT無引腳IC芯片承載封裝。 在28至47 dB時,2LO至RF和IF防護隔離性能指標突出,沒有更多濾波。 LO變成器選用單偏置(+3V至+4V)雙極結構設計,僅需-4 dBm的win7驅動。 全部的的數據均依據安轉在50 ?測試卡具中的非密封性帶型、氯化橡膠漆硅膠粘合劑密封性帶LM3封裝元件調用。 立維創展HMC265LM3選用HMC265LM3即沒有線焊,于是為大家給出一樣的數據接口。
|
品牌
|
型號
|
描述
|
貨期
|
庫存
|
|
ADI
|
HMC265LM3
HMC265LM3TR
|
次諧波混頻器,采用SMT封裝,20 - 31 GHz
|
現貨
|
123
|
HMC265LM3應用
-
20和31 GHz微波無線電
-
點對點無線電下變頻器
HMC265LM3優勢和特點
-
集成LO放大器: -4 dBm輸入
-
次諧波(x2) LO
-
高2LO/RF隔離: >28 dB
-
LM3 SMT封裝
HMC265LM3結構圖
