HMC6146BLC5A/HMC6146BLC5ATR無線路由電可變性增益控制上伺服控制器器 ADI現貨黃金
上線時長:2018-07-04 10:06:39 搜索:6780
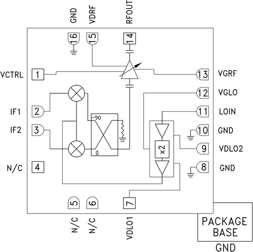
HMC6146BLC5A一款狹窄型GaAs MMIC I/Q可調增益控制把握把握值上變頻器,所應用無引腳RoHS兼容型SMT裝封。 該電子器件展示12 dB小的信號轉變增益控制把握把握值,享有25 dBc邊帶可抑制和17 db增益控制把握把握值把握。 HMC 6146BLC5A所應用RF可調增益控制把握把握值調小器,在其以往為個I/Q混頻器,LO由X2倍頻器驅使。 展示IF1和IF2混頻器錄入,有時候可利用外部結構90°比調進行需求邊帶。
I/Q混頻器拓撲關系減小了針對性騷擾邊帶使用濾波的條件。 HMC6146BLC5A是款更精致、能能當做混合物一側帶電池直流三菱變頻器的產品設備,蘋果支持表貼制造廠技藝,不需線焊。
|
品牌
|
型號
|
描述
|
貨期
|
庫存
|
|
ADI
|
HMC6146BLC5A
HMC6146BLC5ATR
|
GaAs MMIC I/Q上變頻器,40 - 44 GHz
|
現貨
|
198
|
HMC6146BLC5A應用
-
點對點與
點對多點無線電
-
軍用雷達、EW與ELINT
-
衛星通信
HMC6146BLC5A優勢和特點
-
轉換增益:12 dB
-
邊帶抑制:25 dBc
-
2LO至RF隔離:15 dB
-
高輸出IP3:+27 dBm
-
16引腳5x5 mm陶瓷封裝:25 mm2
HMC6146BLC5A結構圖
