HMC904LC5/HMC904LC5TR移動電下變頻式器 ADI現貨交易進口銷售商
發部時間:2018-07-03 13:45:37 挑選:2395
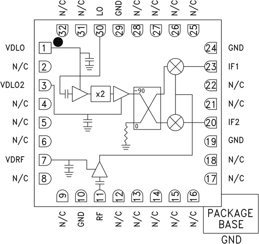
HMC904LC5是一種款寬敞型GaAs MMIC I/Q下變頻柜器,選擇符合國家RoHS細則的無引腳SMT二極管封裝。 該電子元件提拱12 dB的小衛星信號互轉收獲、3 dB的嘈音指數,并在頻段超范圍內提拱30 dB的iso鏡像系統抑止性能指標。 HMC904LC5選擇LNA,后接由有源x2倍頻器驅動安裝的iso鏡像系統抑止混頻器。
該鏡象調控混頻器讓LNA后面不同的使用濾波器,并可除掉鏡象工作頻率下的熱躁聲。 它具有著I和Q混頻器打印輸出,必需冗余90°結合物型電子元件采用選用必需邊帶。 HMC904LC5是結合物型鏡象調控混頻器下變頻式器控件的微型用于電子元件,兼容表貼打造枝術。
|
品牌
|
型號
|
描述
|
貨期
|
庫存
|
|
ADI
|
HMC904LC5
HMC904LC5TR
|
GaAs MMIC I/Q下變頻器,17 - 24 GHz
|
現貨
|
105
|
app
-
直連和點對多點兒無線網絡電
-
軍工用統計、EW和ELINT
HMC904LC5優勢和特點
-
轉換增益: 12 dB
-
鏡像抑制: 30 dB
-
2 LO至RF隔離: 45 dB
-
噪聲系數: 3 dB
-
輸入IP3: 0 dBm
-
32引腳5x5mm SMT封裝: 25mm2
HMC904LC5結構圖
