業新聞
發部時間段:2018-07-05 11:08:07 瀏覽記錄:1977
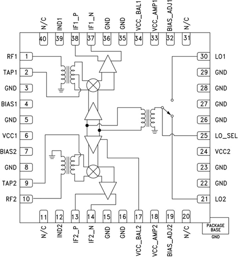
HMC683LP6C(E)是一款高線性度、雙通道下變頻器,集成LO放大器,采用6x6 SMT QFN封裝,工作頻率為0.7 - 1.0 GHz。 LO驅動為0 dBm時,3G和4G GSM/CDMA應用可以獲得+23 dBm的出色輸入IP3下變頻性能。 采用1 dB (+11 dBm)壓縮時,RF端口支持各種輸入信號電平。立維創展HMC683LP6C 轉換增益典型值為7.5 dB。 60 - 500 MHz的IF頻率響應能夠滿足各種GSM/CDMA接收頻率規劃要求。
| 品牌 | 型號 | 描述 | 貨期 | 庫存 |
| ADI |
HMC683LP6CE HMC683LP6CETR |
高IP3雙通道下變頻器SMT,集成LO開關,0.7 - 1.0 GHz | 現貨 | 223 |
HMC683LP6CE技術應用
HMC683LP6CE優勢和特點
HMC683LP6CE結構圖
