HMC685LP4E/HMC685LP4ETR高動態化區間整合LO變大器 ADI外盤
發部時刻:2018-07-05 11:41:27 訪問:2117
HMC685LP4(E)就也是款高動態圖規模無源MMIC混頻器,集成化化LO增加器,采取4x4 SMT QFN裝封,作業次數為1.7 - 2.2 GHz。 LO驅使為0 dBm時,3G和4G GSM/CDMAAPP可能才能得到+32 dBm的突出放入IP3下定頻的性能。 采取1 dB (+27 dBm)縮短時,RF端口號認可不同的放入信息電平。 轉化成耗率類型數值為8 dB。 DC至500 MHz的IF次數反映可符合GSM/CDMA發射衛星或吸收次數建設規劃需要。 HMC685LP4(E)與HMC684LP4(E)引腳兼容,由是就也是款集成化化LO增加器的700 - 1,000 MHz混頻器。
|
品牌
|
型號
|
描述
|
貨期
|
庫存
|
|
ADI
|
HMC685LP4E
HMC685LP4ETR
|
集成LO放大器的BiCMOS混頻器,1.7 - 2.2 GHz
|
現貨
|
158
|
HMC685LP4應用
-
蜂窩/3G和LTE/WiMAX/4G
-
基站和中繼器
-
GSM、CDMA和OFDM
-
發射機和接收機
HMC685LP4優勢和特點
-
高輸入IP3:+35 dBm
-
8 dB轉換損耗(0 dBm LO)
-
針對低端LO輸入優化
-
可調電源電流
-
上變頻和下變頻應用
-
24引腳4x4mm SMT封裝:16mm2
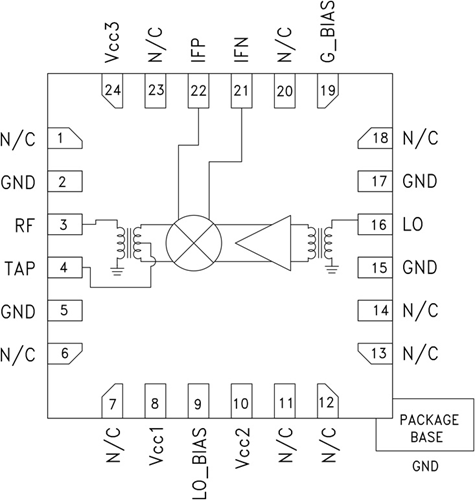
HMC685LP4結構圖
