HMC666LP4E/HMC666LP4ETR高動態圖片規模無源MMIC混頻器 ADI外盤
發布公告時:2018-07-05 10:48:57 閱讀:7374
HMC666LP4(E)有的是款高動態化位置無源MMIC混頻器,智能家居控制LO放縮器,采用了4x4 SMT QFN封裝類型,任務幀率為3.1 - 3.9 GHz。 該電子器件共性WiMAX和穩固遠程APP能提供+31 dBm的出眾導入IP3特點以做下交流變頻,LO控制為0 dBm。 LO串口共性中低端LOAPP系統優化。
RF端口號的復制粘貼1 dB壓縮視頻為+23 dBm,可支持軟件寬位置復制粘貼數據信號電平。 變為衰減先進典型臨界值9 dB。 該電子元器件的DC至800 MHz IF次數響應的能足夠WiMAX射出或接受次數開發計劃規范要求。 立維創展HMC666LP4(E)與HMC688LP4(E)引腳兼容,由是不是款2.0 - 2.7 GHz混頻器,集成式LO拖動器。
|
品牌
|
型號
|
描述
|
貨期
|
庫存
|
|
ADI
|
HMC666LP4E
HMC666LP4ETR
|
集成LO放大器的SMT BiCMOS混頻器,3.1 - 3.9 GHz
|
現貨
|
235
|
應該用
-
WiMAX/4G與固定無線
-
基礎設施與中繼器
-
發射機與接收機
-
測試和測量設備
HMC666LP4E優勢和特點
-
高輸入IP3: +31 dBm
-
低轉換損耗: 9 dB
-
低LO驅動: 0 dBm
-
上變頻與下變頻應用
-
針對低端LO輸入優化
-
24引腳、4x4mm SMT封裝: 16mm2
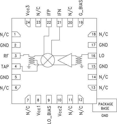
HMC666LP4E結構圖
