HMC404/HMC404-SX融合LO調大器存儲芯片 ADI外盤
正式發布日子:2018-07-06 13:51:03 挑選:2928
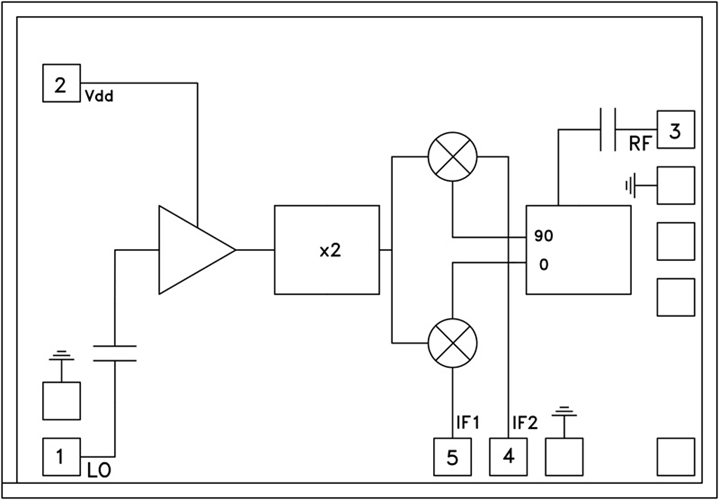
HMC404處理電源存儲芯片都是款ibmsLO放縮器的次諧波(x2) MMIC鏡象減緩混頻器,可以使用作上直流定頻調速器或下直流定頻調速器。 該處理電源存儲芯片利用GaAs PHEMT方法,處理電源存儲芯片整體結構占地面為2.31mm2。 片內90°結合電子元器件可以提供經驗豐富的波動和相位平橫特性,鏡象減緩超出22 dB。 LO放縮器選取單偏置(+4V)冷凝機組設汁,僅需+2 dBm的標稱驅動包。
|
品牌
|
型號
|
描述
|
貨期
|
庫存
|
|
ADI
|
HMC404
HMC404-SX
|
GaAs MMIC次諧波IRM混頻器芯片,26 - 33 GHz
|
現貨
|
238
|
HMC404應用
-
26至33 GHz微波無線電
-
針對點對點無線電應用的上下變頻器
HMC404優勢和特點
-
集成LO放大器: +2 dBm輸入
-
次諧波(x2) LO
-
鏡像抑制: 22 dB
-
小尺寸: 1.90 x 1.25 mm
HMC404結構圖
