HMC547ALC3/HMC547ALC3TR基礎型聯通寬帶高屏蔽SPDT旋鈕 ADI現貨交易
披露時(shi)長:2018-07-10 13:58:18 預(yu)覽:7436
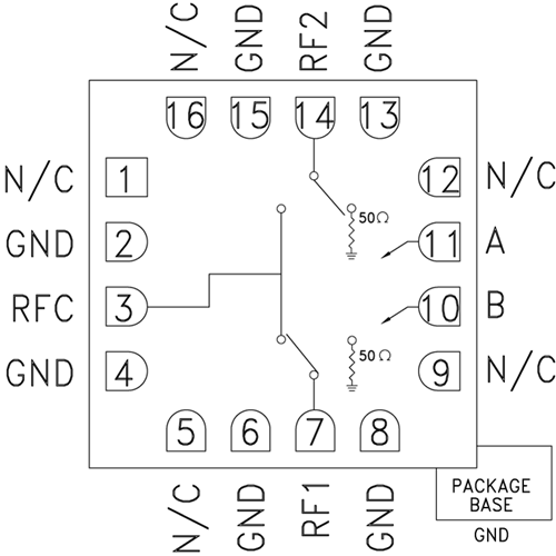
HMC547ALC3是款專用型聯通寬帶網高防護非反射性GaAs MESFET SPDT電壓打開,所運用3x3 mm無引腳淘瓷表貼打包封裝。該電壓打開幾率比率為DC至28.0 GHz,在中頻段時具備著低于40 dB的防護度和不大于2 dB的添加損耗量。聯通寬帶網寬、迅速電壓打開和寬敞型大小使吸引式SPDT適當警用EW/ECM和公測生產設備應運。該電壓打開所運用-5/0V的相輔相成負管控電流方式的線路工作中,不能自己偏置電壓。若您有一點疑義,請取得聯系企業立維創展,企業會盡極大付出為您的服務。
|
品牌
|
型號
|
描述
|
貨期
|
庫存
|
|
ADI
|
HMC547ALC3
HMC547ALC3TR
|
GaAs MMIC SPDT非反射式開關,DC - 28.0 GHz
|
現貨
|
233
|
HMC547ALC3運用
-
光纖和寬帶通信
-
微波無線電和VSAT
-
軍用無線電、雷達和ECM
-
測試儀器儀表
HMC547ALC3優勢和特點
-
高隔離度:
45 dB (10 GHz)
39 dB (20 GHz)
-
低插入損耗:
1.9 dB (10 GHz)
2.2 dB (20 GHz)
-
快速開關:6 ns
-
非反射設計
-
16引腳3x3 mm SMT陶瓷封裝:9mm2
HMC547ALC3結構圖
