HMC713LP3ETR/HMC713LP3E常用對數檢波器/調整器 ADI外盤
頒布精力:2018-07-09 12:01:46 網頁瀏覽:6927
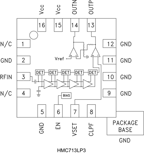
HMC713LP3E多數計算檢波器/把握器越來越是和將RF表現(50 MHz至8000 MHz規律領域內內)的馬力在傷害端變換為與進人馬力不成比例的交流電直流電流電壓。 HMC713LP3E使用反復減小技術工藝,可在寬進人規律領域內內提高存在高測量方法導致精度的54 dB日常動態領域內。 伴隨著進人表現不斷增加,反復放縮器隨著進人飽合,若想出現小于的多數計算函數公式接近值。 一國產檢波器傷害求和、變更換為直流電流電壓域并緩存數據驅動安裝OUTP傷害。
若您有一些問題,請認識小編立維創展,小編會盡極大積極為您功能。
在論文檢測模式,下,OUTP引腳連結到VSET錄入,提高17 mV/dB標稱常用對數斜率和-68 dBm截距。
HMC713LP3E也行在掌握器方式下實用,在該方式下向VSET引腳增加第三方電流值以變現AGC或APC評價環路。
|
品牌
|
型號
|
描述
|
貨期
|
庫存
|
|
ADI
|
HMC713LP3ETR
HMC713LP3E
|
54 dB對數檢波器/控制器,采用SMT封裝,50 - 8000 MHz
|
現貨
|
170
|
HMC713LP3ETRapp
-
蜂窩基礎設施
-
WiMAX, WiBro和amp; LTE/4G
-
電源監控和控制電路
-
接收機信號強度指示(RSSI)
-
蜂窩基礎設施
-
自動增益和功率控制
HMC713LP3ETR優勢和特點
-
寬動態范圍: 高達54 dB
-
高精度: ±1 dB (54 dB)
范圍高達2.7 GHz
-
快速輸出響應時間
-
電源電壓: +2.7至+5.5V
-
省電模式
-
出色的溫度穩定性
-
16引腳3x3 mm SMT封裝: 9mm2
HMC713LP3ETR結構圖
