HMC611LP4/HMC611LP4E工作功率風控多數檢波器 ADI加盟代理現貨交易
發布消(xiao)息事件:2018-07-09 13:57:07 瀏(liu)覽(lan)網頁:7290
HMC611LP4(E)多數檢波器/有效整流器將錄入web端RF移動信號轉型為傷害端相等的DC額定電壓。HMC611LP4(E)利用率持續再壓縮拓撲的結構的結構,可以提供寬錄入聲音頻率區域內的很好動態性區域和轉型透徹度。現在錄入最大功率增長,持續變成器正在逐步進到過剩,最終得以制成透徹的多數指數函數相似性值。
若您有某些問題解答,請聯絡企業公司立維創展,企業公司會盡明顯全力以赴為您提供服務。
一題材m2律檢波器打印導出求和、變轉成電阻值域并減慢驅動安裝LOGOUT打印導出。在論文檢測摸式下,LOGOUT引腳過壓到VSET手機輸入并供給-25mV/dB的標稱多數斜率和18 dBm的截距(22 dBm,? ≥ 5.8 GHz)。HMC611LP4(E)也可在調控器摸式下應用,向VSET引腳給予外鏈電阻值以轉化AGC或APC報告環路。
|
品牌
|
型號
|
描述
|
貨期
|
庫存
|
|
ADI
|
HMC611LP4
HMC611LP4E
|
對數檢波器控制器,采用SMT封裝,0.001 - 10.0 GHz
|
現貨
|
151
|
HMC611LP4運用
-
蜂窩/PCS/3G
-
WiMAX、WiBro、WLAN、
固定無線和雷達
-
功率監控和控制電路
-
接收機信號強度指示(RSSI)
-
自動增益和功率控制
HMC611LP4優勢和特點
-
寬動態范圍:高達63 dB
-
高精度:±1 dB
54 dB范圍高達8 GHz
-
電源電壓:+5V
-
出色的溫度穩定性
-
緩沖溫度傳感器輸出
-
緊湊型4x4mm無引腳SMT封裝
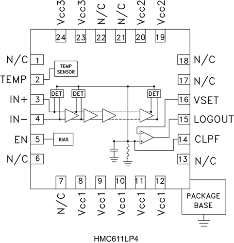
HMC611LP4結構圖
