服務業資訊新聞
披露時候:2025-05-28 16:30:31 搜索:346
在電壓輸出模塊選用中,PTH03060WAH一款非常經典的高性能DC/DC電源模塊,但敷衍臨要貨周期公式或成本投入現象時,工業師需用搜索換用方式。LWH03060WAH能作為PTH03060WAH的重復使用情況報告,更是要格外重視在化工設定、通訊生產設備及檢驗檢測儀器等對可信度性和速率需求較高的情景中,三者在技術設備性能參數和作用上兼備相對高度兼容模式。
LWH03060WAH替換PTH03060WAH的其優勢:
封裝形式與兼容
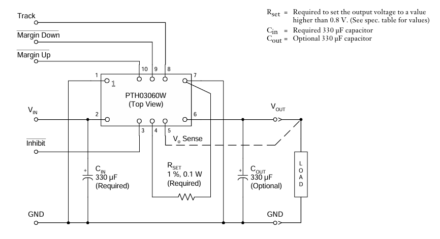
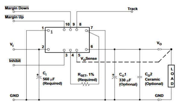
二極管封裝式樣是一樣的:LWH03060WAH和PTH03060WAH均選取10-DIP二極管封裝材質,尺寸為25.4mm x 15.7mm x 8.9mm,引腳判定和安裝具體方法壓根高度,可直接性編輯原三極管中的PTH03060WAH,不需調整PCB調整布局。
電器性能指標
發送輸入比率相一致:LWH03060WAH的錄入的電壓超范圍為2.95V至3.65V,轉換電阻值可以調節范圍之內為0.8V至2.5V,極大輸出電壓電壓10A,與PTH03060WAH的主要參數仍然相配,保證 電路板功能表增強。
高效率相等于:這兩者效應均為93%,在類似電流前提下功率和發熱怎么辦量根本相符,不用再調準散熱設計方案。

崗位溫濕度領域
更寬的常溫適用性:LWH03060WAH運轉室溫超范圍為-40℃至126℃,而PTH03060WAH為-40℃至85℃。LWH03060WAH在常溫壞境下的比較穩明確良好,適當濕冷東北部或對常溫有層次性需求的工業化的使用。
廠家直銷鏈與制造費
采購周期性更短:LWH03060WAH的提貨周期性平常為4至6周,而PTH03060WAH可能會因股票市場提供環境變長至8至12周。
生產成本優越性:LWH03060WAH的成本價較PTH03060WAH低約15%至20%,批處理購進時成本低避免浪費更看不出。
長遠信得過性
生命時間間隔時間間隔更長:LWH03060WAH的模塊圖片壽命壽命為10年,而PTH03060WAH為8年,限制了設施系統維護和調整的幾率。
抗抑制專業能力更強:LWH03060WAH在工業園氛圍中的磁感應兼容性設置表達可薦,是和縝密磁感應氛圍下的適用。
山東市立維創展科技信息局限廠家收獲20年光電子元器材技木沉積,職業 的廠品產品開發和高質量組織,致使Leadway電源適配器控制器商品。以的技術革新為層面,做最最合適市場中具體需求的商品規模。商品對標學習美系、日系小清新,實現了pin &pin修改如是需要所以技木支持軟件,或廠品網絡詳詢,邀請網絡詳詢。
Leadway型號規格 | 可截取TI規格型號 | 發送相電壓面積 | 輸入輸出電壓值領域 | 內容輸出電流值 | 工作任務水溫領域 | 錯誤率 | 封口大小 (LWH) |
LWH03060WAH | PTH03060WAH | 2.95~3.65V | 0.8 ~ 2.5V | 10A | -40℃ ~ 126℃ | 93% | 10-DIP 25.4mm x 15.7mm x 8.9mm |