的行業信息資訊
推出(chu)時間段:2025-07-08 16:43:31 瀏覽器:111
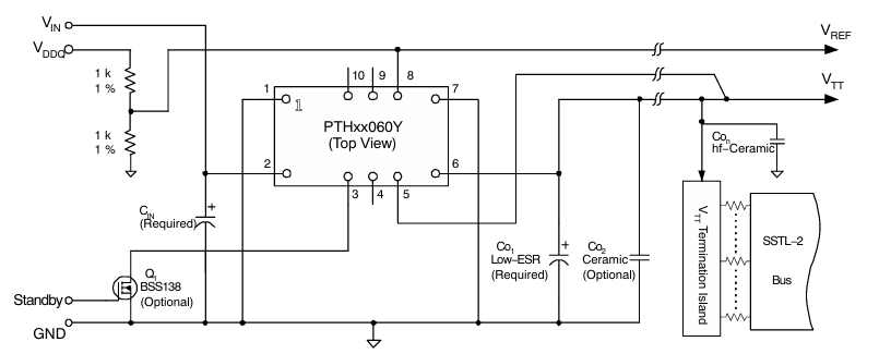
在繁復大數字(zi)系統電(dian)(dian)源線(xian)(xian)的(de)(de)設(she)計中,TI(濰坊檢測儀器(qi)(qi))的(de)(de)PTH05060YAH輸出(chu)模塊因穩固性應(ying)用DDR/QDR運行內存數據總(zong)線(xian)(xian)華為設(she)備供氣設(she)備而(er)廣泛應(ying)用安(an)全(quan)使用,但由于傳(chuan)統電(dian)(dian)原水平的(de)(de)發展前景,Leadway投放市場的(de)(de)LWH05060YAH可無逢用作(zuo)原型號,三者在高壓電(dian)(dian)器(qi)(qi)功能(neng)、打包封(feng)裝寬度及(ji)選用業(ye)務領域上相對高度兼容(rong),且國產車方案設(she)計在總(zong)成本、供應(ying)商鏈增(zeng)強性和認知(zhi)程(cheng)度幾個方面凸顯(xian)出(chu)有優缺(que)點。
因素對比性(xing)
參數設置 | LWH05060YAH | PTH05060YAH |
投入額定電壓(ya)范疇 (V) | 4.5~5.5 | 4.5~5.5 |
傳輸電流范(fan)圍內 (V) | 0.55 ~ 1.8 | 0.55 ~ 1.8 |
輸入輸出直流電壓 (A) | 10 | 10 |
大所在熱效率 (W) | 18 | 18 |
的工作濕(shi)度領域 (℃) | -40 ~ 231 | -40 ~ 85 |
高效率 (%) | 86 | 最底電動車續航 91 |
封(feng)裝類(lei)(lei)型的(de)類(lei)(lei)型的(de) | 10-DIP | 10-DIP |
裝封寸尺 (mm) | 25.4 x 15.7 x 8.9 | 25.4 x 15.7 x 8.9 |
分隔的電壓 (V) | 常(chang)常(chang)為 1500V DC | 基(ji)本為 1500V DC |
保護(hu)措施系統 | 過壓(ya)、欠壓(ya)、過流等 | 過壓、欠(qian)壓、過流等 |

代用可能性
電力能力兼容
l 輸(shu)出(chu)(chu)/輸(shu)出(chu)(chu)工作(zuo)電(dian)壓、工作(zuo)電(dian)流(liu)、的(de)效率(lv)等要素規格(ge)符合,具備高頻率(lv) DC-DC 改變器、VRM(電(dian)流(liu)控住信(xin)息(xi)模(mo)塊(kuai))等場面(mian)各種需求。
l 讀取輸出功率可(ke)控技(ji)能(neng)(在內阻(zu)設備)與 PTH05060YAH 不一(yi)樣(yang),適(shi)用人群靈便(bian)性(xing)能(neng)。
代價與供應信息鏈優勢
l 售價好處:Leadway 做(zuo)國(guo)廠服務商,LWH05060YAH 料工費壓低美國(guo)產(chan)品,自(zi)定義進(jin)貨料工費優勢(shi)與劣勢(shi)非常明顯。
l 批發(fa)商鏈穩定義性:國產方案格式(shi)減(jian)小對進口貨(huo)(huo)基帶芯(xin)片的依(yi)賴關系,以(yi)免 缺貨(huo)(huo)高風險,應應用于持續性制作規劃。
適用方向
兩者之間均適(shi)合于幾處理器(qi)機(ji)系統(tong)、DSP、微(wei)調整(zheng)器(qi)送電、DDR/QDR 手(shou)機(ji)存(cun)儲器(qi)系統(tong)總線華為設備等(deng)場合,LWH05060YAH 在的溫(wen)度適(shi)應性(xing)功(gong)能(如 LWH05060WAH 溫(wen)度范圍圖(tu)達 -40℃~116℃)和能耗高等(deng)級(ji)高等(deng)級(ji)上呈現良好質。
電機選型提醒
l 可(ke)以(yi)代用:若原設計制作選用 PTH05060YAH,LWH05060YAH 可(ke)可(ke)以(yi)直(zhi)接復制,暫(zan)時無法調準電路板(ban)方案或 PCB 戰略布(bu)局。
l 特(te)性優化:對能(neng)效等(deng)級(ji)比、濕(shi)度融入效果有更高一些需求的景象(xiang),舉薦使用LWH05060YAH 或(huo)其(qi)一類(lei)成品(pin)(如(ru) LWH05060WAH)。
l 人(ren)工(gong)成本強烈(lie)該項(xiang)目:國廠(chang)方法可削減(jian) BOM 總成本 20%~30%,使在(zai)自動化種植。
南京市立維創展科枝十分有限廠家擁用20年光學元元器技木1個,職業的成品研發部和品質質量管理團隊,塑造Leadway交流電源功能護(hu)膚(fu)品(pin)。以高技術(shu)的(de)創新為(wei)中心,做最適領域(yu)所(suo)需的(de)護(hu)膚(fu)品(pin)年紀。護(hu)膚(fu)品(pin)對比美系、日系風格,達到pin &pin重(zhong)命名如(ru)所(suo)需任何(he)的(de)技術(shu)設備適用,或(huo)企業產品(pin)了解,感謝了解。
PTHXX060Y系列(lie)的DC-DC變(bian)為器(qi)的護(hu)膚品匯總:
進入(ru)電阻值 | 核心部件代碼(ma) | 敘說 | 無鉛(qian)和適(shi)用RoHS規(gui)格 | 物理(li)封裝類型 |
3.3 V | PTH03060YAH | 程(cheng)度通孔(kong) | 是 | EUW |
PTH03060YAS | 標準SMD | 否(fou) | EUY | |
PTH03060YAZ | 自選SMD | 是 | EUY | |
5 V | PTH05060YAH | 質量通孔 | 是 | EUW |
PTH05060YAS | 規范SMD | 否 | EUY | |
PTH05060YAZ | 必選SMD | 是(shi) | EUY | |
12 V | PTH12060YAH | 平均(jun)水平通(tong)孔 | 是 | EUW |
PTH12060YAS | 標準規定SMD | 否 | EUY | |
PTH12060YAZ | 先選SMD | 是 | EUY |