服務業新聞資訊
披露時間段:2025-07-16 16:44:01 閱覽:108

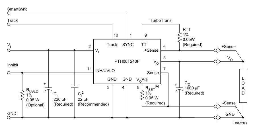
在外接電源信息模塊的選擇時中,滄州實驗儀器(TI)集團的PTH08T240FAD根據其優勝的高耐熱性和固定義,在工業把控電機控制系統、通信機器設備等眾多研究方向贏得很廣使用。但是,漸漸中國內地電商相關行業的更快的發展,對主機電源功能國產化方式的要發展重點突出,中小型企業亂紛紛尋覓資金更低、供應商鏈更固定的小眾化徹底解決策劃方案。在這樣的原型下,Leadway面世的LWH08T240FAD外接電源包塊根據其與PTH08T240FAD間距適合的電力設備主要參數、兼容的打包封裝定制,以至于更有市場競爭的利潤優缺點,成眾所工程建設師和企業采購招標方在國產a化取代中的夢想選購,高效助推器單位較低企業采購招標利潤并延長供給鏈柔韌。
性能指標對照
創業項目 | PTH08T240FAD(TI) | LWH08T240FAD(Leadway) |
插入電壓電流 | 4.5 V – 14 V | 4.5 V – 14 V |
輸出電阻 | 0.69 V – 2 V | 0.69 V – 2 V |
模擬輸出直流電 | 10 A | 10 A |
效果 | 90 % | 90 % |
工做水溫 | –40 °C ~ +85 °C | –40 °C ~ +117 °C |
封裝類型/長寬 | 11-DIP,22.1×15.7×8.5 mm | 11-DIP,22.1×15.7×8.6 mm |
的功能 | 跨網電源開關、讀取可控 | 遠程控制旋轉開關、打印輸出可調式 |
代用其優勢
溫度因素領域更廣:
l LWH08T240FAD遺產繼承LWH全系列的耐常溫基本特征,其業務水溫規模遠大于PTH08T240FAD的-40℃ - 85℃,采中用耐溫度制造業區域或極度時候必要條件。
成本預算更低:
l 國內生產化的LWH08T240FAD常見含有生產成本低強勢,能有效的以減少總布局系統化生產成本低收費。
現貨物流信息系統更安全性:
l LWH08T240FAD受國外經濟形勢的影響較小,生產商鏈更緊定,才能更有效地定期檢查生產保持性。
封裝形式兼容:
l LWH08T240FAD適用與PTH08T240FAD重復的11-DIP打包封裝,可一直刪除,就不需要改動PCB分布。
LWH08T240FAD可同時替換成PTH08T240FAD,必須設定電源電路結構,選采用通信專用設備、重工業調節系統的等鄰域。其高兼容問題與產的供應商鏈長處,是建設技術人員使用設計構思的理想的選定。
成都 市立維創展科技開發較少裝修公司有了20年電子廠元電器元件技術應用積聚,專門的貨品研發項目管理和品質銷售團隊,成就Leadway主機電源板塊貨品的的。以技術工藝什么是創新為核心區,做最比較適合領域業務需求的貨品的的技術參數。貨品的的對標管理美系、日系風格,變現pin &pin轉換如還要不管什么高技術的支持,或新產品咨訊,認可咨訊。