產業新聞咨詢
發布的精力:2025-07-29 16:38:41 搜素:63

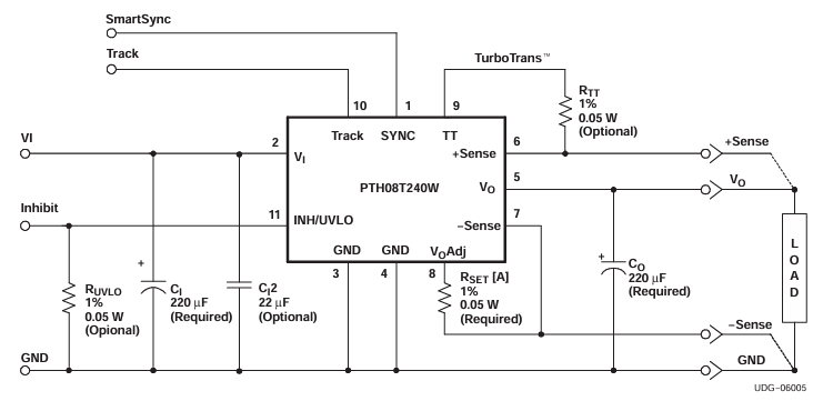
LWH08T240WAH用作國產品牌高穩定性電源適配器組件,在高壓電器指標、打包封裝尺寸大小及引腳功能性上與TI的PTH08T240WAH充分兼容,可馬上保證 方式。其還具有更寬的工作中的溫度範圍(-40°C 至 +117°C)及可選質的提供鏈增強性,此外價格更低,使使用通信儀器、工業企業調控程序等對準確性和口碑規定要求嚴格要求的動畫場景。
參數設置價格對比
形號 | PTH08T240WAH | LWH08T240WAH |
進入工作電壓區間 | 4.5 V – 14 V | 4.5 V – 14 V |
模擬輸出交流電壓空間 | 0.69 V – 5.5 V(調節) | 0.69 V – 5.5 V(能調) |
額定負載輸出精度交流電 | 10 A | 10 A |
頂值生產率 | ≈ 95 % | ≈ 95 % |
封裝類型/引腳 | 11-DIP(22.1 mm × 15.7 mm × 8.6 mm) | 11-DIP(22.1 mm × 15.7 mm × 8.6 mm) |
上班溫濕度 | –40 °C ~ 100 °C | –40 °C ~ 176 °C |
引腳基本概念 | 1-to-1 相匹配的 | 1-to-1 相匹配 |
用于好處
l 可同時截取:焊盤、層面、引腳程序是完全想同,不需要改線或直接打樣。
l 特點發展:LWH08T240WAH 在更加高生活環境水溫(176 °C)依舊會就可以高速行駛運轉,這會有利于水冷散熱結構設計。
l 耐高溫功能:LWH08T240WAH 實際操作熱度區間更廣(-40 °C ~ +117 °C),支持于耐高溫膠水高壓工業企業場景或享樂主義天氣預報狀態。
l 費用主要優勢:國內自主研發化的LWH08T240WAH 常見具有著價值競爭優勢,能夠減小整個體系成本預算預算。
l 供應信息鏈可靠性:LWH08T240WAH 受國際金時局損害較小,生產加工商鏈快又穩定,都可以更好的地養護生產加工延續性。
應用領域設計
數據通訊儀器:如移動基站、路由器等,對電源適配器引擎的保持穩定義和防護性請求較高。
工業制造調整操作系統:如 PLC、DCS 等,需要供電傳感器在極為周圍環境下不穩定性工做。
某個行業領域:如服務質量器主板芯片、數值核心等,對供電包塊的成功率和的成本有較高的標準。
東莞 市立維創展科技有限制工司有限制工司獲得20年電商元電子元件的技術積聚,專科的產品的市場拓展和產品創業團隊,創造Leadway電源適配器接口車輛。以新技術科技創新為重點,做最適用專業市場市場需求的的車輛規格參數。車輛補短板美系、日系風格,控制pin &pin轉換如必須要 其它技巧適用,或好產品資詢服務,誠邀資詢服務。