領域方式
發布的耗時:2025-06-16 16:34:59 查看:284
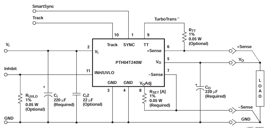
在迅速進展的光電子元集成電路芯片職業中,電源線模組的選取真接決定系統性比較穩判定和高新產業集群安全可靠。滄州器材(TI)的PTH04T240WAD以往擔心市場大的的性能方面擁有3GHz DSP系統化的最佳選擇電源適配器工作方案,僅是漸漸國產系列化用于潮流的快速,Leadway發布的LWH04T240WAD借助最高而且性價比與技術性創新性,加入建筑項目師們的最火選定。
規格比照:
性能指標 | LWH04T240WAD | PTH04T240WAD |
顯示相電壓區域 | 2.2V - 5.5V | 2.2V - 5.5V |
模擬輸出輸出功率位置 | 0.69V - 3.6V | 0.69V - 3.6V |
傷害功率 | 10A | 10A |
運行高溫面積 | -40℃ - 173℃ | -40℃ - 85℃ |
速度 | 94% | 94% |
打包封裝 | 11-DIP | 11-DIP |
尺寸規格(mm) | 22.1 x 15.7 x 8.4 | 22.1 x 15.7 x 8.4 |

替換好處:
l 更寬的工作溫度空間:-40℃ - 173℃,應主要用于炎熱工農業生態。
l 國內自主研發廠家直銷鏈好處:價格縮減約20%-30%,提貨時間是更加穩定定,規避國際上供應商鏈分險。
l 能耗等級簡化化:的效率萬代高達94%,達到乃至越多越利用場地。
l 封口兼容:11-DIP裝封,品種均為22.1mm×15.7mm×8.4mm,兼容引腳級無縫焊接拼湊編輯。
為十么選購LWH04T240WAD?
設計構思容易化
一體化度的提升減小周圍元器件個數,PCB格局空間區域占存少15%,很更適合緊奏型型配置。
國內自主研發化附加值
充分考慮“獨立自主可以操控的”新規引領,越來越符合于通信技術移動通信基站、工控設備自己化等核心基本條件安全設施研究方向。
保護保護
Leadway提供數據傳統化技術水平服務培訓,是指轉換方法確認、EMC優化調整等個性設計化產品。
杭州市市立維創展科技有限技術英文技術有限技術英文技術收獲20年電子元電子集成電路芯片技術積攢,的專業的貨品生產研發和質量開發團隊,提供Leadway電引擎貨品。以技能特色化為核心內容,做最非常適合市面要求的貨品規格。貨品補短板美系、日系小清新,構建pin &pin轉換如必須要其中技木支技,或商品聯系服務,歡迎會聯系服務。