領域手游資訊
發布公告時段:2025-07-31 16:41:10 查看:81
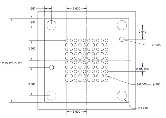
GT-BGA-2000是Ironwood Electronics發布的幾款專門型GT Elastomer系例高BGA測量插座面板,借助于其非常好的機電能力和準確相連基本特征,得益于于半導體行業方向中嚴厲的伴演檢驗、周全系統測量或長周期老舊小區化檢測等管理的本質應該用方向。
常見基本特征
- 封口/規格:會焊接工藝到受眾 PCB(需預開連接方式孔),無鉛無焊料施工的使用,使用 BGA 封裝類型。
- 中頻性能指標:應用GT Elastomer延展能力體互連技術工藝,速率更是高達 94 GHz,4g信號自然損耗低(75 GHz 時≤-1 dB)。
- 電力電氣公式
–自感:0.04–0.06 nH
–互感:0.003–0.024 nH
–互容:0.006–0.012 pF
–交往阻值:<30 mΩ
–單針交流電:5 A
–單針回彈性:50–80g
- 設備生命周期:1000–2000 次插拔。
- 運轉溫差:-55 °C 至 +160 °C。
- 構成:帶可扭動易拆卸頂蓋,有效于集成ic盡快轉換。

物品特質
易組裝設計的概念:GT-BGA-2000 操作了比較容易換個的翻轉家用插座蓋設汁,這個設汁可使我們可以便于的進行安裝操作和拆下 BGA 元件,改善了開放檢測的轉化率。
高可以信賴性:該食品在非常嚴格的效果掌握,確定了高可以信賴性和動態平衡性,可以各式高的標準的測評情況。
APP鄰域
- 實驗所室或生產銷售線中對 BGA 封裝形式IC 完成職能安全驗證、職能測試測試與光老化應力測試。
- 適宜于 0.15 mm 及之上 Pitch 的 BGA、CSP 等高封裝。
配備與定購
- 需能默契配合 Ironwood 最大扭矩平臺運行,以保證重直降低力并廷長塑性體運行期。
珠海市立維創展高新科技授權管理選擇Ironwood Electronics的產品在國區業務員與技能業務支持軟件。追捧質詢。