餐飲行業動態新聞
頒布時間間隔:2025-08-15 16:33:38 瀏覽訪問:34
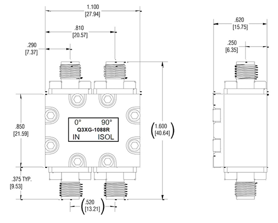
Q3XG-1088R-SMA是USAElectro-Photonics投入市場的兩款 90°、3 dB 外面貼裝(SMT)混雜解耦電路器,也叫正交解耦電路器。Q3XG-1088R-SMA挑選SMA母頭同軸對接器芯片封裝,適當用在通信網站信號塔后級功放、外置天線波束進行網站、MRI 微波射頻時延以其各種測試英文系統的,另外保證 RoHS/REACH 合規經營、無磁化版本信息。
包括癥狀:
?頻段時間范圍:960 – 1215 MHz,包括L股票波段及組成部分S波長
?端口設置結構:SMA 母頭(聯接器型)
?工作功率使用量:平均值 85 W(聯接器型);若應用表面能貼裝裸片游戲版本最高的人會達 175 W
?讀取不足:典范 0.28 dB(連結器型),或 0.12 dB(表面上貼裝裸片)
?隔離開度:≥ 26 – 27 dB
?駐波比:≤ 1.2:1
?相位和平:±2°
?封裝形式尺寸:鏈接器型略大;從表面貼裝裸片僅 0.560 × 0.350 4英寸
?技術應用:電率分發/合并、wifi天線波束形成了、微波射頻拖動器、自測與量測等
?貼合 RoHS、REACH 規范,非剩磁,可應該用于 MRI 工作環境

新技術基本特征
非磁體定制:是和用在 MRI(磁共振現象成相)等對永久磁鐵銘感的醫療器材專用設備,防范人體磁場打擾。
CTE 兼容:熱澎漲比率與用電線路板原料兼容,限制工作溫度波動性造成的彎曲應力,不斷提高維持性。
表皮處理:基準浸錫工藝工藝工藝,可會按照市場需求提拱有機化學鎳浸金(ENIG),提高了手工焊接安全性。
卷裝首選項:兼容卷帶封裝形式,有好處于智能化設備化制作。
監測板兼容:提拱監測板(規格型號 722-0006-03-E01),提高自己物品自測與整合。
應該用教育領域
無線路由網絡通訊機械:
?耗油率放縮器提煉與防護:在網絡通訊通信信號塔、直放站等的設備中,將多路后級功放的輸出提煉,提升 模式線型度并克制散射。
?4g衛星走勢抽樣與監視:從主4g衛星走勢方向中解耦區域4g衛星走勢用來監視,狠抓軟件高效益正常運行。
機載雷達天線:
?無線wifi天線波束行成:可以通過精淮操控衛星信號相位與升幅,保持無線wifi天線陣列的波束掃錨與定向培養。
小行星電訊:
?的頻率轉換成與走勢合理安排:在低躁音放縮器(LNA)、上直流變頻空調器等輸出模塊中,控制網絡信號的高效率的治療。
醫用品專用設備:
? MRI 整體:非帶磁方案充分考慮醫療主設備對電滋兼容模式的堅持原則管理制度。
Electro-Photonics擁有著25年的普攻rf射頻開關元件設汁與打造相關經驗,企業設備適用于混合型喂養和定向培養藕合器、功分器、濾波器、測試儀板、防護器、環狀器等企業設備。長沙市立維創展科學現有我司選擇二級分銷Electro-Photonics新產品。要是須得Electro-Photonics微波射頻,追捧了解。