業資訊新聞
分享事件:2025-08-12 16:50:11 看:54
2318是KR Electronics研發推出的高效能窄帶帶通濾波器,專為低頻信號燈處理領域行業設定。該濾波器采用了精密制造的LC諧振用電線路空間結構,擁有重心次數深度貧困、通帶衰減少、阻帶可以抑制強等特征,可高轉化成其他頻段警報并更好治理和改善臨近干預,廣選用于音頻軟件補救、怪物中醫藥學警報收采、化工業調節器器警報護理及資料收采控制系統等不一樣。
關鍵參數表與功能公式
工作頻率超范圍:3 kHz – 10 kHz(3 dB通帶),基地規律精淮固定至6.5 kHz。
通傳輸速率度:7 kHz(3 dB下行帶寬),事關對方頻段走勢系統采用。
插入圖耗費:≤1.5 dB(6.5 kHz處主要表現值<1 dB),網絡信號衰減超低。
阻帶壓制:距重心聲音頻率±18.5 kHz處克制≥32 dB,效果隔離打擾走勢。
網口電位差:標準化安裝為10 kΩ(PCB引腳型),兼容定做50 Ω/600 Ω等抗阻界面。
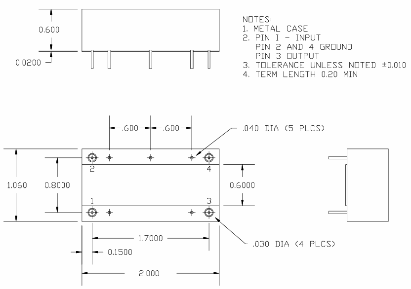
芯片封裝表現形式:單列直插式(SIP)0.3"引腳間隔距離PCB方案,寬度約25 mm × 13 mm × 8 mm,用于結合。

工藝原理圖與實行原則
頻段采用性原則:利用LC諧振用電線路(電感L與電解電容C組合起來)構成指定規律出現異常,僅限制6.5 kHz附過數據信息采用,還控制其它頻段材料,推動窄帶濾波功效。
相位功能優化網絡:不錯設計的下通帶內相位呈波形參數,實際效果電路板借助組件參數指標SEO優化縮短相位模糊,確保安全衛星信號波形參數完整的性。
實現了的結構:無源LC濾波器:由電感、電容器構造,需不需要外邊電源線,適用人群于高頻場景設計,不穩定性性好。
拓撲節構節構:進行π型或T型電源電路,借助多種件組合式建立錯綜復雜次數選擇,兼具性能指標與靈敏性。
非常典型使用消費場景
音屏解決
l 聲音強化:分離出來立體聲或傳統樂器在6.5 kHz附近商場的諧波化學物質,調節粉紅背景噪聲背景噪聲(如嗡嗡嗡聲)和高頻電流聲(如嘶嘶聲)。
l 均等化器的設計:用于選頻接口,脫貧整改音頻視頻頻譜動態平衡,升級優化聽覺系統游戲體驗。
生物學醫美走勢外理
l 腦電圖(ECG):濾掉肌電電磁干擾,獲取肝臟活動形式特征描述頻次,大幅提升表現清新度。
l 腦電圖(EEG):隔離防曬指定區域腦電波頻段(如α波、β波),協助面神經生物學探索。
調節器器數據食補
l 震動幅度調節器器:添加機震動中的核心頻帶寬度物質,使用于機出現故障初步判斷與預測性運營維護。
l 音波調節器器:濾出工作環境燥音(風輕云淡聲、公路網的噪音),不斷增強關鍵聲網絡信號(如視頻語音、機械化聲)。
數據表格收采整體
l 篩選中頻噪聲源串擾,提高認識提取電磁波在6.5 kHz頻段內的數據質量性,常適用科學技術試驗、化工業監測技術等高計算精度應用場景。
東莞 市立維創展科技信息十分有限品牌權限加盟代理營銷KR Electronics濾波器設備。并給予售前工程師和售后維修功能新技術鼓勵功能。