RFLI090M21M29超寬帶同軸隔離器RF-LAMBDA
2024-06-21 08:46:13
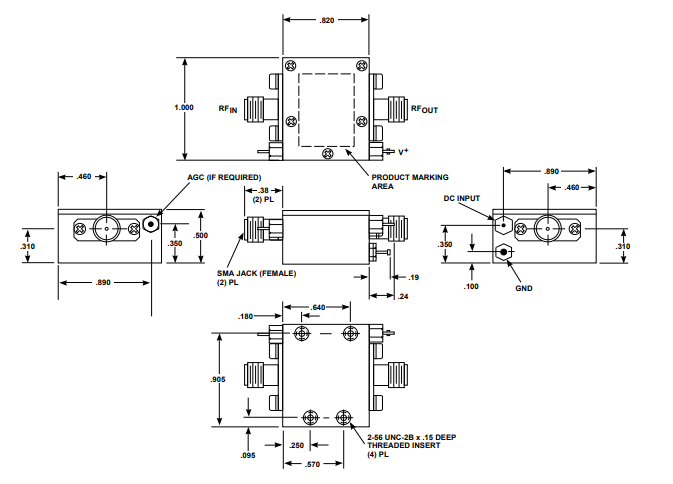
RFLI090M21M29是RF-LAMBDA的一件超大帶同軸隔離器,運作率為214MHz至286MHz,存在0.6dB較大 復制損耗費、19dB最低隔離度、1.3:1 VSWR和50W不斷波同向崗位效率。它蘋果支持N型或SMA型連入器,輸出阻抗為50Ω,運作熱度比率為-40°C至+85°C。該隔離器適宜于手機無線基本條件配制、軍事戰爭、航天技術部航天部、測試測試議器、聲納系統軟件、5G電力等這個領域,存在穩定的抗振和沖撞耐熱性,可在萬代高達30,000英寸的平均海拔寬度下運作。