EQ1251-XX增益均衡器API-Inmet
2024-07-15 09:08:55
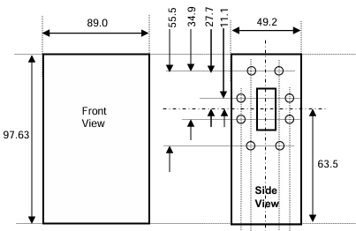
EQ1251-XX有的是款固定不動增益控制控制平衡器,工作頻段標準為2到18 GHz,支持于工作頻段涉及到的的增益控制控制修正。其電氣設備運作涉及到先選的Δ斜率從2到35 dB,比較大插入表格耗用在18 GHz處為0.36 ± 0.02 dB,非線性度在2-10 dB標準內為±0.75 dB,比較大復制粘貼/工作輸出額定功率在+25°C時為1W。機械廠特征涉及到運行Passivated Stainless Steel SMA連到器,方法的溫度標準為-54°C到+125°C,包含RoHS符合要求,采取氯化橡膠漆封閉連到器,給出結實耐用性和靠譜性。