業內信息
公布的期限(xian):2024-06-28 08:56:30 訪問:5995
FCTS1000-100-5是Synergy出品的(de)一款(kuan)低噪聲(sheng)(sheng)鎖相振蕩器(PLL Oscillator),專為需(xu)要高穩定(ding)性和低相位(wei)噪聲(sheng)(sheng)的(de)無線通信、雷達系統(tong)以及(ji)各類測試設備設計。該型(xing)號采用了先進(jin)的(de)PLL(相位(wei)鎖定(ding)環)技術,能(neng)夠提供固定(ding)頻率1000 MHz的(de)穩定(ding)輸出,同時(shi)具(ju)備優良的(de)相位(wei)噪聲(sheng)(sheng)性能(neng)。

主要規格參數
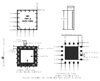
頻繁 :不變頻繁 1000 MHz。 參看顯示頻點:100 MHz。 參看復制粘貼直流相電壓:兼容1.0至3.3 Vp-p的直流相電壓位置。電源電壓:
小數集成運放(+5V):為CMOS鎖相環和小數方式集成運放給予穩固的電壓。 調諧電源電路(+12V):用到有效控制諧振器的打印輸出頻次。 VCO線路(+5.5V):展示給壓控自由振蕩器(VCO)的24v電源電阻值。 輸入輸出最大功率:最高數值為-3 dBm,保護了已經可以的數據信號撓度。 雜散調控:典型性指標值80 dB,有效的縮減了不須得的頻繁成分表。 諧波可以抑制:典例參考值25 dB,削減了諧波圖像對平臺的騷擾。相位噪聲:
@ 100 Hz:關鍵指標值-80 dBc/Hz。 @ 1 kHz:主要指標值-115 dBc/Hz。 @ 10 kHz:典范值一般選擇-141 dBc/Hz。 @ 100 kHz:典例值一般選擇-158 dBc/Hz。 的工作體溫位置:-20°C至+70°C,衡量了較寬的體溫適于性。 表層性能:帶來了詳細介紹的引腳性能訊息,具有數據主機電源、參考價值復制粘貼、rf射頻打印輸出、設定的檢測等。南京市立維創展科技開發是Synergy的(de)生產商商,首要(yao)供給Synergy紅外光(guang)壓控震蕩器、多晶(jing)體震蕩器、鎖(suo)相(xiang)(xiang)震蕩器、鎖(suo)相(xiang)(xiang)環(huan)幀(zhen)率制成(cheng)器、混頻器等(deng)成(cheng)品(pin),成(cheng)品(pin)坐(zuo)落在英(ying)國(guo)(guo)西(xi)南部(bu)的(de)直觀(guan)安(an)全通(tong)道,迅(xun)猛相(xiang)(xiang)應中國(guo)(guo)國(guo)(guo)家潛在客戶的(de)需求(qiu)量。邀請(qing)質詢。