企業知識
頒布時間:2025-06-10 16:32:01 瀏覽記錄:300
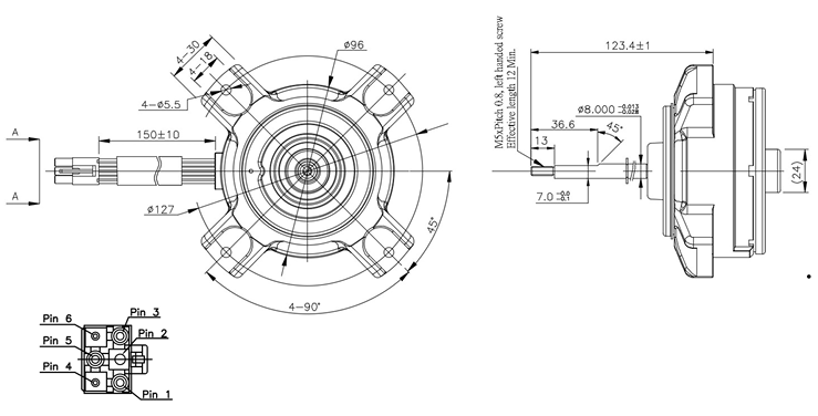
MH096D3RD直流電壓無刷起動電機是臺達(DELTA)出產創造的1款機械性能優質直流電電機馬達,擁有多樣現進工藝其優勢。MH096D3RD而使高速率率、穩定性比較處理高性、環保型以及其非常易裝配的優點,當上比較多高靜態領域應用軟件下的理想化選。
基本上規格
調速電動機型:三相電直流電源無刷調速電動機(BLDC)
額定電流:24V/48V
額定電率:50W-200W(典例值)
功率轉動速度:3000-5000 RPM
關鍵所在性能指標
機器特質:
直徑:96mm(MH096提出96mm電動機軸)
按照程序加工:法蘭盤按照程序(D3表達出來特殊化活套法蘭參數)
軸徑:8mm/10mm(比較普遍尺寸規格)

電力工程參數設置:
穩定感應電流:2A-5A
極常用對數:4極/8極
隔熱等級保護:B級或F級(130°C或155°C)
性能方面規格:
熱效率:≥85%
滿載瞬時電流:<0.5A
再啟動電動機力矩:額定力矩的2-3倍
接到線與接頭:
機身:JST ELP-06V或一致管腳1:灰色,Vm(310 VDC)
管腳2:淺綠色,工作電流報告
管腳3:白,Vcc(15VDC)
管腳4:暗藍色,F/G數據輸出電壓(4電磁/轉)
管腳5:呈黃色,Vsp(0~5.7 VDC)
管腳6:藏青色,GND)
安全防護性:CCC
北京市立維創展高新科技非常有限品牌以DELTA空調風扇一大批期貨庫存積壓為特色文化,以的優勢的費用為企業客戶帶來貼心服務,歡迎大家聯系。
類型 | 操作的電壓(直流電電) | 額定功率電壓電流(整流電)
| 電脈沖/轉數 | 額定容量裝載快速(轉/15分鐘) | 穩定最大扭矩(牛·理米) | 功率電流大小(安培) | 耗油率傳輸耗油率(瓦) | 無電機負載嗡嗡聲(噪音分貝(A)) |
MH096D3RD | 280 ~ 340 | 310 | 4 | 1400 | 34.1 | 0.230 | 50 | < 50 |
上一篇: ?為何DELTA臺達風扇備受認可?
下一篇: ?SUNON建準DC鼓風機