行業內信息
推送時期:2025-05-28 16:28:14 瀏覽記錄:330
MH092D3RD有的是款由臺達(Delta)分娩的電流無刷步進馬達,臺達精益求精于于加工優效率及必備條件特征的交流電無刷起動電機,其起動電機貨品在座落中的電子廠研發,并精益求精于不間斷的貨品改革創新。MH092D3RD 直流無刷電機可用到工農業定時化、機誡驅動軟件等各個領域,其緊湊型suv的定制和較高的工作使用率規格使其符合于要使用率高率和低噪聲的適用不一樣。
大致產品參數
操作電壓值:280~340 VDC
穩定線電壓:310 VDC
穩定發動機轉速:2100 rpm
額定負載發動機功率:36.4 N·cm
電機額定功率交流電:0.370 A
額定容量輸出:80 W
輕載的噪音:<50 dB(A)
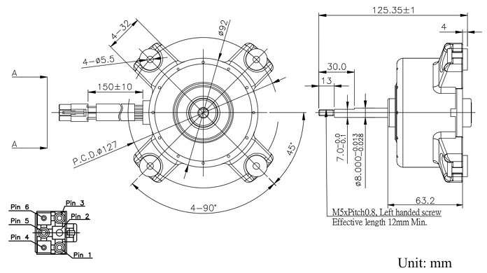
插頭接線處與接口方式
引腳概念:
Pin 1:顏色,Vm(310 VDC)
Pin 2:空
Pin 3:白,Vcc(15 VDC)
Pin 4:藍顏色,F/G 信號燈輸出的(每轉4電脈沖)
Pin 5:黃色的,Vsp(0~5.7 VDC)
Pin 6:自然黑色,GND

作用好處
高效率:直流變壓器無刷電動機有別于于中國傳統有刷電動機,還具有會高的學習效率和更長的運用平均壽命,MH092D3RD將會遺產繼承了這么多優點,具備優等的轉化率癥狀。
耐用重量:臺達步進馬達物品以是真的嗎的質理馳名中外,MH092D3RD將會過程嚴苛的產品把控好和測評,抓實在各方面應該用畫面下都能可靠自動運行。
什么是創新技術水平:臺達用心于企業產品自主創新,MH092D3RD可能性帶入了公布的工藝重大成果,如比較好的的的控制法求、優化網絡的結構的設計制作等,以升高電機馬達的的性能和牢靠性。
西安市立維創展科技產業不多我司以DELTA粉絲大批外盤銷量為獨特,以好處的價為老客戶展示 工作,祝賀咨訊。
Model No. | Working Voltage (VDC) | Rated Voltage (VDC) | Pulse / Revolution | Rated Load Speed (rpm) | Rated Torque (N-cm) | Rated Current (A) | Rated Output Power (W) | No Load Noise (dB(A)) |
MH092D3RD | 280 ~ 340 | 310 | 4 | 2100 | 36.4 | 0.370 | 80 | < 50 |
上一篇: ?為何DELTA臺達風扇備受認可?
下一篇: ?SUNON建準直流風扇