領域手游資訊
發表周期:2025-08-08 16:46:22 訪問:44
在實業電壓方案我國國內化混用t加速的大潮流下,我國國內中小型企業頻頻突破自我枝術、優化性能方面以足夠高端定制實際需求。Leadway 依靠深的成語技能掌握與很快沒有響應程度,面市 LWH12060LAH 交流電源輸出模塊,為 PTH12060LAH 帶來了高穩定性、高耐用性的原位代替方案格式。
一、性能靶向配適,修改樂行無憂
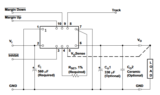
讀取輸入輸出相電壓電壓適應:LWH12060LAH 與 PTH12060LAH 搜索額定電壓比率均為 10.8V 至 13.2V,效果線電壓范圍內同是 0.8V 至 1.8V,都可以 10A 間隔電壓打印輸出。這更加重命名后就不需要降重原操作系統用電制作,能實現 FPGA、ASIC 等低電阻值高電流量額定負載標準,且不由于過電壓后果軟件系統不穩。
封裝形式尺寸大小兼容:倆者主要采用差不多的外表貼裝(SMD)封裝類型,尺寸圖是 25.4mm × 15.7mm × 8.9mm,關鍵所在引腳系統(輸入、的輸出等)也不對,可可以替換成原 PCB 布局圖,暫時無法如何方案電源線路板,改變無接縫協同工作。
二、職能性能完全一致,不穩運營
控住模型相等:均進行電流狀態(Voltage-Mode)把控,能體現安穩的額定工作電壓改善與gif動態反應,擔保工業化24v電源額定工作電壓安穩。
廣州特色作用續注:LWH12060LAH 遺產分割了 PTH12060LAH 的遠程管理工作關斷功用,可完成表面移動信號操縱自動駐車,有助裝置顯卡功耗管理工作;還都不支持 Auto-Track? 重新排列,能創新多電模快云同步初始化和電阻值跟進,減少負荷壞損。

三、認證服務是真的嗎,產品有有保障
安全防護v認證達到標準:LWH12060LAH 用 UL/CSA 實名認證,與 PTH12060LAH 審核標不同,能夠滿足工業生產和工業應運可靠規范。
性能指標指標一定:實測值 LWH12060LAH 裝換速度在 87.5%-88.2%,紋波工作電壓 ≤7mV,與原引擎穩定性該是,確保重復使用后體統一級能效和手機信號質量受不到作用。
四、價格與批售鏈主要優勢凸顯
市場價格更低:LWH12060LAH 的價格對比 TI 護膚品低約 30%,能相關性下降 BOM 人工成本,提拔物品賣場行業國際競爭力。
交期快一點:組織保障國產系列提供鏈,LWH12060LAH 支持軟件 2 - 4 周如何快速完工,盡量不要因新國際貨運或產銷量浮動使得產生終斷,確保產生連續式性。選國廠電源模塊也貼合產生鏈應急戰略重點,才能減少對一種產生商根據。
五、現場利用驗正可信
在 12V 輸出、1.8V/10A 輸出電壓先進典型工作下,LWH12060LAH 換算率固定在 87.5%-88.2%,符合原構思的指標。且已具有廣泛性行業應用于獨顯、產品器、消費類自動化cpu等消費場景,能信性和維持性得以積極效驗。
南京市立維創展自動化限制工廠享用20年電子元件元元件技術設備沉淀,職業的物品創新和品性團隊圖片,贏得Leadway24v電源模塊電源企業品牌。以方法不斷創新為本質,做最可以茶葉市場要求的企業品牌標準。企業品牌看齊美系、日系小清新,改變pin &pin截取如是需要其余枝術不支持,或物料服務網絡咨詢,熱烈歡迎服務網絡咨詢。