產業咨訊
正式發布時間段:2025-08-04 16:36:33 閱讀:87

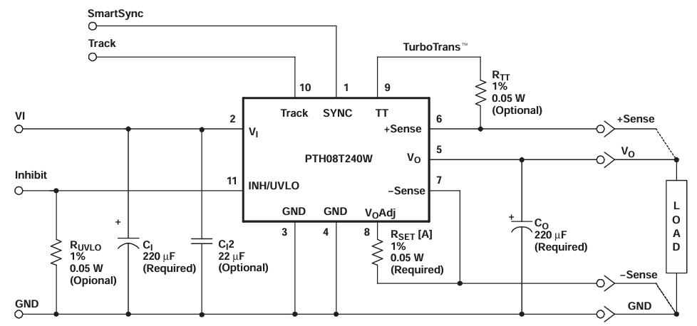
在全.球供給鏈深層調控與鄉土化新趨勢加快速度的當下,國產品牌供電控制模塊正落下帷幕戰略布局級進步旨在。看作TI徑典型號規格PTH08T241WAD的德國進口化升極工作方案,Leadway發布的LWH08T241WAD借助全自主經營磁路設計方案實行96%頂值學習效率,并在-40℃至125℃寬溫域內保持良好比較穩定輸入,其小眾化產線與快速的卡死業務體系中,為實業設施設備產生商帶來了相輔相成能力先進性性與供給鏈安全的性的首選預案。
參數值相比較
關健技術參數 | LWH08T241WAD(國內改用) | PTH08T241WAD(TI原版) |
發送端電壓范圍之內 | 4.5 V – 14 V | 4.5 V – 14 V |
輸送電阻條件 | 0.69 V – 5.5 V(可控) | 0.69 V – 5.5 V(可以調節) |
穩定輸入電流大小 | 10 A | 10 A |
封裝/引腳 | 11-Pin DIP(通孔) | 11-Pin DIP(通孔) |
盡寸(L×W×H) | 22.1 mm × 15.7 mm × 8.6 mm | 22.1 mm × 15.7 mm × 8.6 mm |
操作水溫范圍圖 | –40 °C ~ 98 °C | –40 °C ~ 85 °C |
轉化率 | 典例 95 % | 類型 96 % |
功能模塊屬性 | 蘋果支持 TurboTrans 等效高速瞬態響應的 | 原車 TurboTrans 高技術 |
兼容/替換途徑 | PIN-TO-PIN 原位換用 | — |
優點解析
耐低溫度效能:LWH08T241WAD的業務氣溫面積擴張至-40℃至125℃,方面材質 有的屏幕上顯示其可接受高達hg176℃的高溫作業,相較于PTH08T241WAD的-40℃至85℃,擁有更強的耐溫度過高意識。這性能特點使其獨特支持于極端分子環鏡或溫度過高產業場景設計,如在戶外通訊網絡信號塔、新汽車電子產品為了滿足電子時代發展的需求,等。
投入優劣勢:算作國產車電源線控制器,LWH08T241WAD的市場價基本小于進口量廠品,可協助工業企業消減10%~30%的集中采購資金,行之有效大幅提升利益范圍。
批發商鏈穩定的性:LWH08T241WAD的訂貨周期性更短,一般說來只需1~2周,能夠杜絕了缺貨危險因素,保護了制造的間斷性性。這針對需用更快崩潰市場改變的企業看來頗關乎要。
國產系列化總價值:LWH08T241WAD達到在國內“信創”優惠政策結果導向,越來越適主要適用于于鎮政府、軍工概念股等對提供鏈自主化穩定標準要嚴的教育領域,推助企業實現了產的化換用,提高自己提供鏈健康安全可靠性。
應運場合
l 制造業把控方向:適宜于PLC、變頻器、交流伺服電機win7驅動等要有高正規性電原的應用場景,確認裝置維持啟用。
l 光纖通信裝置各個領域:應于5G基站天線、光模塊24v電源、互相核心交換機等對溫度適應室內環境性要高的主設備,符合有難度室內環境下的24v電源意愿。
l 小汽車電子電器為了滿足電子時代發展的需求,層面:支持于車截進行充電機、鋰電池管理工作體系(BMS)等耐溫度高情況,提升自己新汽車自動化機械的可靠的性和安全衛生性。
武漢市立維創展科學受限公司的得到20年電子為了滿足電子時代發展的需求,元器材技術工藝積累了,專業的的軟件生產制造和質量專業團隊,塑造Leadway24v電源控制模塊物品的的。以技術工藝改革創新為價值體系,做最好領域實際需求的物品的的尺寸。物品的的趕超美系、日式,實行pin &pin截取如還要絲毫技術水平支撐,或產品設備詢問了解,熱烈歡迎詢問了解。