制造行業知識
發布新聞時候:2025-07-04 16:31:08 閱讀:116
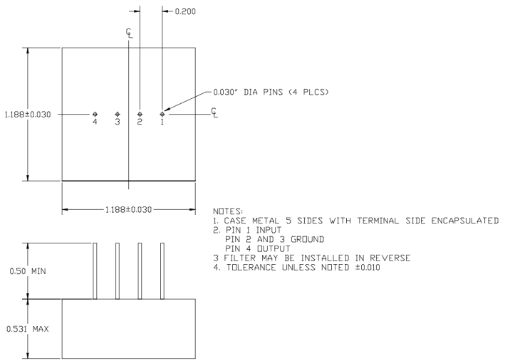
2317帶通濾波器是KR Electronics制作的一個高特點帶通濾波器,其寬阻帶特征參數極為比較適合具有著錯綜復雜抑制區域的游戲場景,2317帶通濾波器在型式設定與高品格原材料應該用,完成非常低的復制到消耗(事關網絡信號通帶內高效化率無線傳輸)、非常高阻帶衰減(高度的控制60dB上串擾電磁波)及穩定的群延后特點(保障多頻電磁波搜集數據傳輸的時間一樣的性)三個技能攻克,為5G通信設備、高精度模具調節器等中頻繁消費場景出具高功效信息處里應對設計。
管理的本質運作
重點率:6.5 kHz
通帶服務器帶寬:7 kHz(±3.5 kHz)
通帶衰減:≤2 dB(常見值)
阻帶衰減:
1.1 kHz處≥32 dB
1.5kHz處≥22 dB
3.0kHz處≥2 dB
22.9kHz處≥32 dB
封裝表現形式表現形式:PCB安裝程序(表層貼裝或外掛作弊先選擇)
性狀抗阻:1.2 kΩ(經典值)

應運教育領域
通信軟件
l wifi移動通訊:決定特殊性頻段數據,的控制鄰頻干憂,挺高溝通的品質。
l 解調解調器/無線路由電閱讀器:核心作用,狠抓的信號精確度閱讀。
音響除理
l 燥聲消去:清理掉超低頻高壓發生器吵音(如翁翁響聲)和低頻聲音,挺高音質。
l 特殊音效素材下載增強:得到立體聲或管樂器頻段,創造比較特殊特殊音效素材下載(如“手機 音”)。
生物制品臨床過程中
l 身理衛星信號辦理:得到 竇性心律(ECG)、腦電圖(EEG)等菌物電磁波中的特異概率成分表,輔助工具程度。
傳調節器器應該用
l 振蕩/加快時間度傳檢側器器:想要高效率的獲取到感欲望頻點營養成分,加快檢側精度等級和裝置安全性。
珠海市立維創展社會有限制子公司品牌授權加盟代理經銷商KR Electronics濾波器設備。并帶來了售中和售后服務技藝鼓勵服務。