HMC7149/HMC7149-SX氮化鎵(GaN) MMIC輸出功率拖動器 ADI外盤微商代理
公布時:2018-06-22 16:02:59 手機瀏覽:2370
HMC7149都是款10W氮化鎵(GaN) MMIC運作效率變小器,運作規律的范圍為6至18 GHz。 一般而言原因下,該變小器保證20 dB的小數據源信息增加收益、+40 dBm的達到飽和狀態輸出運作效率及+39.5 dBm的輸出IP3(每數據源信息音+28 dBm輸出運作效率時)。 用+28V直流電主機電源時,HMC7149的額定功率為680 mA。 RF I/O識別至50 Ω,可以不便集成式到多存儲基帶存儲芯片信息模塊(MCM)中。 整個機械機械性能數據源均利用機械接入至的厚度為1.02 mm (40 mil)的CuMo質粒載體的存儲基帶存儲芯片獲取一個,而若干截面積為1.0 mil的焊線接入存儲基帶存儲芯片至50 ?硫化鋁傳輸數據新線路。
|
品牌
|
型號
|
描述
|
貨期
|
庫存
|
|
ADI
|
HMC7149
HMC7149-SX
|
10 W GaN MMIC功率放大器,6 - 18 GHz
|
現貨
|
100
|
HMC7149采用
HMC7149優勢和特點
-
高Psat: +40 dBm
-
Psat時的功率增益: +10 dB
-
高輸出IP3: +39.5 dBm
-
小信號增益: 20 dB
-
電源電壓: +28V (0.680 A)
-
50 Ω匹配輸入/輸出
-
芯片尺寸: 3.4 x 4.5 x 0.1 mm2
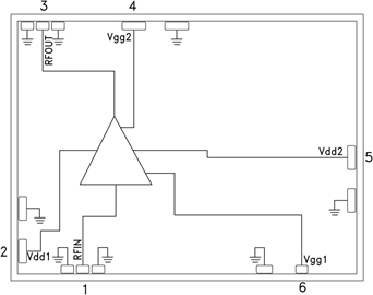
HMC7149結構圖
