HMC7357LP5GE/HMC7357LP5GETR中上熱效率變成器次數5.5至8.5 GHz ADI現貨黃金
上線時間段:2018-06-22 16:06:19 打開網頁:2624
HMC7357一款兩級GaAs pHEMT MMIC中等水平額定效率調大器,運行平率區間為5.5至8.5 GHz。 該調大器的收獲為29 dB,過飽和所在額定效率為+35 dBm,PAE為34%,電原電流值為+8V。 HMC7357能提供+41.5 dBm的很棒所在IP3能力,至關適線性網絡應用,打比方高存儲容量一對一和點對多一點無線路由電或VSAT/SATCOM應用——類似于應用耍求具+35 dBm的優質過飽和所在額定效率。 RF I/O內部管理適合至50 Ω,應用不便。 HMC7357選擇無鉛5x5 mmpp塑料表貼打包封裝,與表貼生產制造性兼容。
|
品牌
|
型號
|
描述
|
貨期
|
庫存
|
|
ADI
|
HMC7357
|
GaAs pHEMT MMIC 2 W功率放大器,5.5 - 8.5 GHz
|
現貨
|
120
|
HMC7357LP5GE應該用
-
點對點無線電
-
點對多點無線電
-
VSAT和SATCOM
HMC7357LP5GE優勢和特點
-
Pout:+35 dBm (34% PAE)
-
高P1dB輸出:+34 dBm
-
高輸出IP3: +41.5 dBm
-
高增益: 29 dB
-
50 Ω匹配輸入/輸出
-
電源電壓: Vdd = 8V (1200 mA)
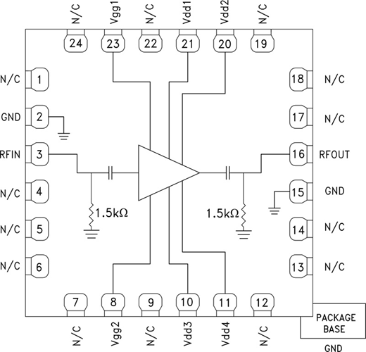
HMC7357LP5GE結構圖
