業內知識
上傳精力:2025-04-10 16:05:53 預覽:380
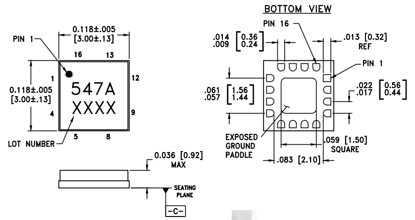
HMC547ALC3專用移動寬帶高丟開度非反射強度型GaAs pHEMT單刀雙擲(SPDT)觸點開關,應用不符合工藝規則的3mm×3mm無引腳陶瓷廠家界面貼裝封裝形式枝術。HMC547ALC3作業頻段包含直流電源(DC)至28.0 GHz,在全頻段范圍之內內可確保遠低于40 dB的端口設置分隔度,并且要保持加入耗損率達不到2 dB的出色的性能評價指標。
其特色的聯通寬帶因素、飛速更改功能及寬敞的封裝形式方案,使其作為俄羅斯軍事電子設備戰/電子元器件對敵操作系統及高誤差公測機器的人生理想應對實施方案。HMC547ALC3分為-5V/0V相輔相成負道理控住電壓降計劃方案,不用辦理表面偏置供電只能進行不穩定性任務,可行創新了系統軟件設計制作復雜性度。

表現形式
高隔離度:10 GHz時為45 dB
20 GHz時為39 dB
低復制到材料耗費:1.9 dB@10 GHz
2.2 dB@20 GHz
快速的調成:6ns
非返光的設計
16芯瓷磚3x3mm SMT打包封裝:9mm2
具代表性適用
?金屬和網絡帶寬電信網
?微波通信wifi電和甚孔眼徑移動終端
?軍用裝備wifi電、預警雷達和ECM
?試驗器材
東莞市立維創展科學是ADI的渠道經銷商,重點出具變大器、線型商品、大數據轉成器、音頻播放商品、寬帶網絡商品、掛鐘和定時執行IC、光纖寬帶網絡通信食品、usb接口和相隔、MEMS和感應器器、主機電源和熱經管、凈化Cpu和DSP、rf射頻和原型電腦處理器、打開和管理器等,物料原廠現貨交易,的價格強勢,祝賀咨詢公司。
上一篇: 高速模數轉換器ADC時鐘極性與啟動時間