服務行業新聞咨詢
上傳的時間:2025-04-17 16:39:19 搜索:449
EV12AD550B是一款高性能的宇航級S中波段雙過道模數轉換器(ADC),專為要高抽樣率、高的動態標準和移動寬帶鍵盤輸入的利用設計的。EV12AD550B的設計目標是簡化宇航系統的復雜度并降低成本,同時提供高性能和高可靠性。
主要基本特性
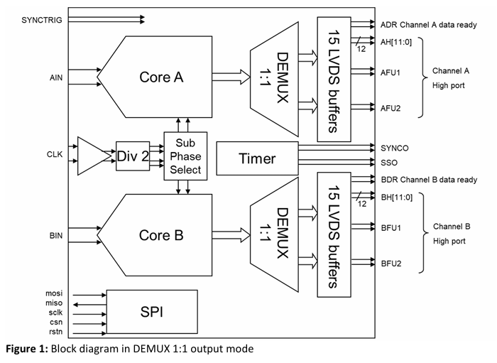
采樣系統率:1.6 GSps(每緩沖區),適用性高速收費站數據采樣設計,適用性于移動寬帶微波通信和預警雷達設計。
簽別率:12位識別率,具備高要求信號燈準換,無法高日常動態范圍圖供給。
的緩沖區數:雙的緩沖區,可以支持多的緩沖區警報同歩處里,用在于來天線陣列或波束定型模式。
發送傳輸速率:全工率發送傳輸速率(-3dB)達4.3 GHz,擴大S波長(2-4 GHz),支持系統可以數字6化低頻的信號,無須下直流變頻。
技術性信息面積:高技術性信息面積,適用人群于治理 高低數據信號兼得的更復雜場地,如雷達探測回波和衛星信號電力。
額定功率:2.3W/短信通道,在性能比較高方面下增加低顯卡功耗,適于對能效比有標準要求的系統化。
端口:LVDS效果,支撐低網絡延遲、高資料文件傳輸。
二極管封裝:CCGA323封口,所采用氮化鋁合金型材料,適宜于高規格、高可靠的性應用軟件。

EV12AD550B最合適哪方面的教育領域?
宇航這個領域
- 對地測量煉制口徑聲納(SAR)可行超載負荷:EV12AD550B的全工作電壓進入傳輸速率可以達到4.3GHz,認可S頻譜直接性加數化,可能要求SAR體系對中頻數據信號除理的具體需求。
- 通迅小行星可以有效荷載:其雙綠色通道設計的概念和高取樣率(1.6Gsps)使其能夠高效能進行處理溝通衛星影像中的高頻率手機信號。
- 通信衛星衛星信號數據信息庫鏈:要用于通信衛星衛星信號中間的數據信息庫無線傳輸,支持軟件高速路衛星信號處置。
- 小行星信號角度計:都可以精準度自動測量小行星信號與大地外面互相的多遠。
- 定位行波管調小器(TWTA)補嘗系統軟件:在補嘗移動信號在數據傳輸工作中的耗費。
- 星對星脈沖光數據顯示鏈:不支持高服務器帶寬的脈沖光通訊網絡。
汽車雷達與微電子程序
- wifi天線陣列和數字9波束行成模式:EV12AD550B幫助鏈式同時模式軟件,可以選擇于電子元器件偏向和羅馬數字波束出現模式軟件,的提升預警雷達模式軟件的輕松性和特點。
- 手機器件抵御設計:其高最新區域和低串擾基本特征使其適宜繁復的手機器件抵御環保。
其它的行業領域
- 測試測試圖片與預估裝置:其高計算精度和高新動態依據特征參數使其應使用于高穩定性測試測試圖片裝置。
- 民航公司光學裝置:可作于是需要高可信性手機信號分析的民航公司光學的設備。
南京立維創展技術是Teledyne E2V的代理商商,包括提供Teledyne E2V法向齒轉型器和半導體技術,Teledyne E2V的適用的領域涉及通信技術、定時化、出現、醫療服務、環保性等。定價優缺點,歡迎圖片詳詢。