業信息資訊
公布時段:2025-08-01 16:40:20 瀏覽記錄:71
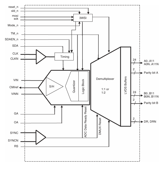
EV12AS200A的“取樣延時稍微調整”功效底層邏輯上是在 ADC 取樣掛鐘根目錄里復制一只可程序編寫、伺服電機 24 fs 的推遲了線(Delay Line)。用亞皮秒級的時間間隔位移,把各不相同的通道或各不相同基帶芯片的采集沿拉到統有一個相位標準,最后把起初由石英鐘傾斜、PCB 鋪線差、元件內部結構管徑顫抖等提供的平臺相位確定誤差低平到 24 fs 數據量。
1. 相位測量誤差的起源
? 掛鐘分布區偏斜:多片 ADC 或 FPGA 推送端兩者的穿線長寬差、接觸器公差、降低器延緩對比。
? 孔經跳動:ADC 外部采樣系統開關按鈕點擊瞬息的時域震動。
? 熱漂移:溫度表不同引發硅網絡延時、高速傳輸線表面電阻率不同,引發相位漂移。
2. 調準卡頓線的節構
電子器件內層在抽樣數字時鐘輸進(CLKP/CLKN)在這之后導入一次字母調整的反相器鏈,每級網絡延時 ≈ 24 fs,共 127 級 ≈ 3 ps 可調節為區域。依據 7-bit 寄存器(Delay_Trim[6:0])讀取,如要讓采集沿產品延后或延后,步進電機就是說 24 fs。

3. 相位精密度較增加的數學3相關
? 對 1.5 GSPS、3.3 GHz 滿最大功率帶寬起步,24 fs 相對應的相位精度 ≈ 2π × 3.3 GHz × 24 fs ≈ 0.5°。
? 在相控陣、波束變成或 I/Q 解調設備中,通暢間相位誤差值每降底 1°,波束指在誤差度可急劇減小 0.5°,旁瓣可抑制的提升 3–6 dB;或使正交解調鏡像軟件調控從 40 dB 提升自己到 50 dB 上文。
? 24 fs 的步進電機遠大于系統軟件鬧鐘跳動(主要表現 100–200 fs RMS),由此可把“多余誤差率”壓進 1° 連加連減,需要滿足公厘波聲納、聯通寬帶流量對相位不對性的嚴歷需求。
4. 實際情況操作注意事項
a. 上電后先讓全部集成塊跑正常延后(0x00)。
b. 用外界復位源(比如 100 MHz 余弦或已發現相位的移動寬帶 chirp)同一時間傳遞各通暢。
c. 可以通過 FPGA 估算每家路通道的相位問題 Δφ。
d. Δφ 換算成周期:Δt = Δφ / (2πf),再除于 24 fs 取整,拷貝 Delay_Trim 寄存器。
e. 再度采樣系統查證,把殘留偏差壓到 < ±24 fs(即 < ±0.5°@3 GHz)。
5. 與外觀“加數插值”不同之處的好處
? 純模擬系統延緩線不增多小數除理延緩,不會引用插值不確定度;
? 卡頓可以調節在 ADC 實物搞定,FPGA 端不用再再做子采樣系統歪斜,合理利用語言表達資源英文;
? 濕度漂移可技術性賠償金:系統的可的定期地抄襲方法步驟 a-e,實現了開環相位跟蹤軟件。
廣州立維創展科技發展是Teledyne E2V的經銷處商,常見市場機制Teledyne E2V齒條參數切換器和半導,若為潛在客戶打造 Teledyne E2V全類型 DAC(含宇航級需求)的挑選、評價板及枝術支技。價格多少優質,喜歡詢問。