該行業信息
發布了時:2024-12-04 17:08:25 搜索:810
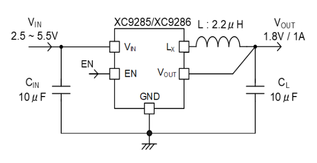
XC9286型號是款鑲入P端口驅動器FET和N內孔驅動安裝FET的1.0A此次整流減壓DC/DC轉型器。
XC9286產品減壓關聯整流DC/DC轉型器輸出的電壓降能在 0.8V 至 3.6V 范疇超過以 0.05V 每隔來相關制定。僅有的對外部安裝是電感電感線圈和電解電溶器。
HiSAT-COT控制電腦的高速路瞬態加載失敗工藝夠在載荷股票震蕩一年后將轉換直流電壓降低評均,非常適宜FPGA和可以效果電壓電流可以信賴性的專用設備等瞬時阻抗波動性巨大的應用軟件科技領域。
據應該用,應該采用 SOT-25 和 USP-6C 選取擇封裝。

基本特征
輸出電流電壓 2.5V ~ 5.5V
輸入輸出電流值標準 0.8V~ 3.6V (±2.0%)
所在電流量 1.0A
頻率超范圍 1.2MHz
效應 92%
(VIN=3.8V,VOUT=1.8V,IOUT=200mA)
直流電損耗費 15μA
剎車原則 HiSAT-COT控制
PWM/PFM自己整改把控
保證裝置設備 熱關斷
電流大小局限
短路故障維護(B型)
實用功能 軟開機
UVLOCL電池充電(B型)
鍵入的輸出電容器 兼容瓷質濾波電容
事業溫濕度 -40℃ ~ 105℃
珠海市立維創展信息技術有局限集團公司優越分銷商城TOREX電源線功率器件,豐富現貨平臺庫存量,邀請詢問。
形號 | 的類型 | 輸出精度電流值 | 辦公工作頻率 | 封裝類型 |
| XC9286A08CMR-G | 無CL電流,無虛接自我保護 | 0.8V | 1.2MHz | SOT-25 |
| XC9286A0LCMR-G | 無CL蓄電池充電,無串電保護性 | 0.85V | 1.2MHz | SOT-25 |
| XC9286A09CMR-G | 無CL蓄電池放電,無短路等問題保證 | 0.9V | 1.2MHz | SOT-25 |
| XC9286A0MCMR-G | 無CL充放電,無出現短路保證 | 0.95V | 1.2MHz | SOT-25 |
| XC9286A10CMR-G | 無CL發出電,無擊穿保護好 | 1V | 1.2MHz | SOT-25 |
| XC9286A1ACMR-G | 無CL發出電,無斷路保養 | 1.05V | 1.2MHz | SOT-25 |
| XC9286A11CMR-G | 無CL電流,無燒壞保養 | 1.1V | 1.2MHz | SOT-25 |
| XC9286A1BCMR-G | 無CL釋放,無短路等問題保養 | 1.15V | 1.2MHz | SOT-25 |
| XC9286A12CMR-G | 無CL發出電,無串電保護措施 | 1.2V | 1.2MHz | SOT-25 |
| XC9286A1CCMR-G | 無CL蓄電池放電,無出現短路保證 | 1.25V | 1.2MHz | SOT-25 |
| XC9286A13CMR-G | 無CL擊穿,無短路故障保護的 | 1.3V | 1.2MHz | SOT-25 |
| XC9286A1DCMR-G | 無CL充放電,無串電庇護 | 1.35V | 1.2MHz | SOT-25 |
| XC9286A14CMR-G | 無CL擊穿,無擊穿保護好 | 1.4V | 1.2MHz | SOT-25 |
| XC9286A1ECMR-G | 無CL自放電,無斷路保護 | 1.45V | 1.2MHz | SOT-25 |
| XC9286A15CMR-G | 無CL充放,無過壓防護 | 1.5V | 1.2MHz | SOT-25 |
| XC9286A1FCMR-G | 無CL尖端放電,無不導通自我保護 | 1.55V | 1.2MHz | SOT-25 |
| XC9286A16CMR-G | 無CL充放電,無串電保護區 | 1.6V | 1.2MHz | SOT-25 |
| XC9286A1HCMR-G | 無CL電流,無發生故障保護的 | 1.65V | 1.2MHz | SOT-25 |
| XC9286A17CMR-G | 無CL電流,無虛接保護 | 1.7V | 1.2MHz | SOT-25 |
| XC9286A1KCMR-G | 無CL充放,無擊穿維護 | 1.75V | 1.2MHz | SOT-25 |
| XC9286A18CMR-G | 無CL釋放電能,無跳閘守護 | 1.8V | 1.2MHz | SOT-25 |
| XC9286A1LCMR-G | 無CL充放電,無漏電防護 | 1.85V | 1.2MHz | SOT-25 |
| XC9286A19CMR-G | 無CL自放電,無虛接保障 | 1.9V | 1.2MHz | SOT-25 |
| XC9286A1MCMR-G | 無CL電池充電,無不導通保養 | 1.95V | 1.2MHz | SOT-25 |
| XC9286A20CMR-G | 無CL釋放,無燒壞保護措施 | 2V | 1.2MHz | SOT-25 |